NTN BL317ZNRC3轴承尺寸、参数、图纸、互换、价格
NTN BL317ZNRC3轴承
更新时间:2026.04.26
轴承型号:BL317ZNRC3,单列深沟球轴承 - 单面防尘盖带止动环,BL系列,其基础型号为317,前缀列表:【BL:是深沟球轴承和圆柱滚子轴承的过渡产品系列,并不常见】,后缀列表:【Z:单面带防尘盖】【NR:带止动环和止动槽】【C3:C3游隙】
技术研究
如您是工程师,需要对轴承进行研究、计算、选型等,都可以直接联系我,微信:caloc-cn。
产品咨询
如您对产品有任何需求,包括询价、采买以及替换等,都可以直接联系我,联系方式如下。
在线咨询咨询热线
138 6103 7112
138 6103 7112
电话咨询电话/微信(长按复制)
13504113081
13504113081
B
L
3
1
7
Z
N
R
C
3
BL:是深沟球轴承和圆柱滚子轴承的过渡产品系列,并不常见
3:尺寸系列:03系列
17:内径:85 mm
Z:单面带防尘盖
NR:带止动环和止动槽
C3:C3游隙
BL:
是深沟球轴承和圆柱滚子轴承的过渡产品系列,并不常见
3:
尺寸系列:03系列
17:
内径:85 mm
Z:
单面带防尘盖
NR:
带止动环和止动槽
C3:
C3游隙
| 类型 | 深沟球轴承 |
| 内孔型式 | 圆柱孔 |
| 材质 | 高碳铬钢 |
| 保持架型式 | 压制 |
| 保持架材质 | 钢 |
| 滚珠材质 | 钢 |
| 极限转速-油润滑 | 4000转/分钟 |
| 极限转速-脂润滑 | 3400转/分钟 |
| 精度 | ISO Class 0 |
| 结构 | 单列 |
| 径向游隙 | C3 |
| 附件 | 单面防尘盖 |
| 重量 | 10.538 lb 4.780 kg |
| 应用温度范围 | -40 to 250 ºF -40 to 120 ºC |
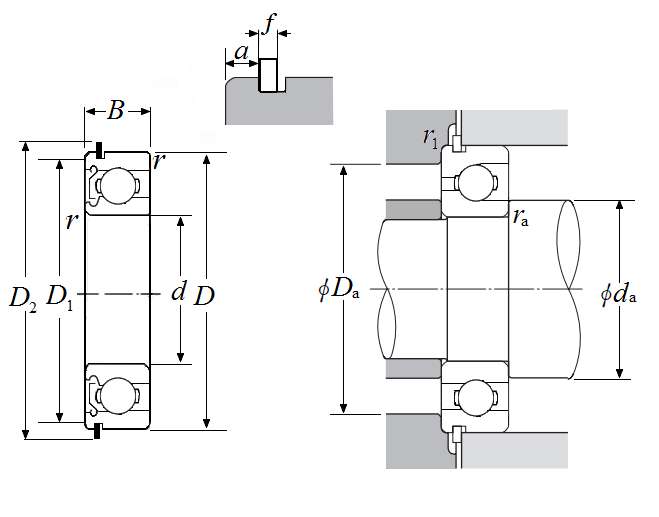
| 单列深沟球轴承 - 单面防尘盖带止动环,BL系列 - 尺寸 | |
| d | 3.3465 in 85.000 mm |
| D | 7.0866 in 180.000 mm |
| B | 1.6142 in 41.000 mm |
| D1 | 6.8370 in 173.660 mm |
| D2 | 7.5945 in 192.900 mm |
| a | 0.2240 in 5.690 mm |
| f | 0.1201 in 3.050 mm |
| r | 0.1181 in 3.000 mm |
| r1 | 0.0197 in 0.500 mm |
| da min | 3.8583 in 98.000 mm |
| da max | 4.4094 in 112.000 mm |
| Da max | 6.5748 in 167.000 mm |
| ras max | 0.0984 in 2.500 mm |