NTN A-UC203X-011D1轴承尺寸、参数、图纸、互换、价格
NTN A-UC203X-011D1轴承
更新时间:2026.04.26
轴承型号:A-UC203X-011D1,超一流带紧定螺钉的外球面轴承,宽外圈 - 球面外圈,其基础型号为203X-011,前缀列表:【A-:从非锁定机构侧进行润滑】【UC:宽内圈,紧定螺钉式,带抛油环】,后缀列表:【D1:带油槽油孔,可再润滑】
技术研究
如您是工程师,需要对轴承进行研究、计算、选型等,都可以直接联系我,微信:caloc-cn。
产品咨询
如您对产品有任何需求,包括询价、采买以及替换等,都可以直接联系我,联系方式如下。
在线咨询咨询热线
138 6103 7112
138 6103 7112
电话咨询电话/微信(长按复制)
13504113081
13504113081
A
-
U
C
2
0
3
X
-
0
1
1
D
1
A-:从非锁定机构侧进行润滑
UC:宽内圈,紧定螺钉式,带抛油环
203X-011:型号:203X-011
D1:带油槽油孔,可再润滑
A-:
从非锁定机构侧进行润滑
UC:
宽内圈,紧定螺钉式,带抛油环
203X-011:
型号:203X-011
D1:
带油槽油孔,可再润滑
| 类型 | 外球面轴承 |
| 内孔型式 | 圆柱孔 |
| 轴承类型 | 滚珠轴承 |
| 材质 | 黑色氧化物 |
| 滚珠材质 | 钢 |
| 密封型式 | 接触式 |
| 密封圈材质 | 丁腈橡胶 |
| 精度等级 | ISO Class 0 |
| 性能 | 标准 |
| 锁紧装置 | 紧定螺钉 |
| 润滑方式 | 可再润滑 |
| 基础外圈型号 | 203 |
| 基本额定静载荷 | 1500 lbf 6650 N 6.65 kN |
| 基本额定动载荷 | 2880 lbf 12800 N 12.80 kN |
| 附件 | 双面密封 |
| 应用温度范围 | -40 to 250 ºF -40 to 120 ºC |
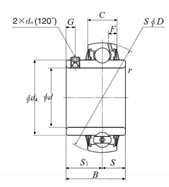
| 超一流带紧定螺钉的外球面轴承,宽外圈 - 球面外圈 - 尺寸 | |
| d | 11/16 in 17.463 mm |
| D | 1.5748 in 40.000 mm |
| C | 0.5906 in 15.000 mm |
| B | 1.0787 in 27.400 mm |
| r | 0.0236 in 0.600 mm |
| ds | 10-32 UNF |
| G | 0.1772 in 4.500 mm |
| d4 | 0.9606 in 24.400 mm |
| S1 | 0.7205 in 18.300 mm |
| S | 0.5000 in 12.700 mm |
| F | 0.1850 in 4.700 mm |
| UCP-11/16 | 详细尺寸,d:17.463mm,h:30.2mm,b:38.1mm,j:92.1mm,2b:61.9mm,r:127mm |
| UCPL-11/16 | 详细尺寸,d:17.463mm,h:27mm,b:34.9mm,j:92.1mm,2b:54mm,r:120.7mm |
| UCFLU-11/16 | 详细尺寸,d:17.463mm,h:97.6mm,b:28.2mm,j:76.2mm,r:61.1mm |
| UCFU-11/16 | 详细尺寸,d:17.463mm,c:12.7mm,b:28.2mm,j:54mm,r:76.2mm |