您好!欢迎访问「常州高可智能科技有限公司」网站!

NTN 7008ADLLB轴承尺寸、参数、图纸、互换、价格

NTN 7008ADLLB轴承

更新时间:2026.04.26

轴承型号:7008ADLLB,密封角接触球轴承,其基础型号为7008,后缀列表:【AD:接触角 25º】【LLB:非接触式丁腈橡胶密封】

技术研究
技术研究 如您是工程师,需要对轴承进行研究、计算、选型等,都可以直接联系我,微信:caloc-cn。
产品咨询
产品咨询 如您对产品有任何需求,包括询价、采买以及替换等,都可以直接联系我,联系方式如下。
在线咨询咨询热线
138 6103 7112
电话咨询电话/微信(长按复制)
13504113081

NTN 7008ADLLB轴承代号说明

7
0
0
8
A
D
L
L
B
7:单列角接触球轴承
0:尺寸系列:10系列
08:内径:40 mm
AD:接触角 25º
LLB:非接触式丁腈橡胶密封
7:
单列角接触球轴承
0:
尺寸系列:10系列
08:
内径:40 mm
AD:
接触角 25º
LLB:
非接触式丁腈橡胶密封

NTN 7008ADLLB轴承技术规格

类型 角接触球轴承
内孔型式 圆柱孔
材质 高碳铬钢
保持架型式 玻璃纤维增强
保持架材质 尼龙
滚珠材质
极限转速-脂润滑 19400转/分钟
密封型式 非接触式
密封圈材质 丁腈橡胶
精度 ISO Class 0
结构 单列
基本额定静载荷 3400 lbf
15100 N
15.10 kN
基本额定动载荷 4400 lbf
19500 N
19.50 kN
附件 双面密封
应用温度范围 -40 to 250 ºF
-40 to 120 ºC

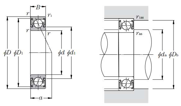
NTN 7008ADLLB轴承尺寸规格

密封角接触球轴承 - 尺寸
d 1.5748 in
40.000 mm
D 2.6772 in
68.000 mm
B 0.5906 in
15.000 mm
d1 1.8976 in
48.200 mm
da min 1.7913 in
45.500 mm
D1 2.4685 in
62.700 mm
Db 2.5000 in
63.500 mm
r 0.0394 in
1.000 mm
r1 0.0236 in
0.600 mm
接触角 25 º
a 0.7953 in
20.200 mm
Da max 2.4685 in
62.700 mm
双列宽度 1.1811 in
30.000 mm
三列宽度 1.7717 in
45.000 mm
四列宽度 2.3622 in
60.000 mm
NTN 7008ADLLB轴承图纸
尺寸图
轴承推荐