您好!欢迎访问「常州高可智能科技有限公司」网站!

NTN 6809JRLLBN轴承尺寸、参数、图纸、互换、价格

NTN 6809JRLLBN轴承

更新时间:2026.04.26

轴承型号:6809LLBN,单列深沟球轴承 - 双面密封(非接触式橡胶密封),带止动环槽,其基础型号为6809,后缀列表:【JR:铆接钢保持架】【LLB:双面非接触式密封】【N:带止动槽】

技术研究
技术研究 如您是工程师,需要对轴承进行研究、计算、选型等,都可以直接联系我,微信:caloc-cn。
产品咨询
产品咨询 如您对产品有任何需求,包括询价、采买以及替换等,都可以直接联系我,联系方式如下。
在线咨询咨询热线
138 6103 7112
电话咨询电话/微信(长按复制)
13504113081

NTN 6809JRLLBN轴承代号说明

6
8
0
9
J
R
L
L
B
N
6:深沟球轴承
8:尺寸系列:08系列
09:内径:45 mm
JR:铆接钢保持架
LLB:双面非接触式密封
N:带止动槽
6:
深沟球轴承
8:
尺寸系列:08系列
09:
内径:45 mm
JR:
铆接钢保持架
LLB:
双面非接触式密封
N:
带止动槽

NTN 6809JRLLBN轴承技术规格

类型 深沟球轴承
内孔型式 圆柱孔
材质 高碳铬钢
保持架型式 压制
保持架材质
滚珠材质
极限转速-脂润滑 11000转/分钟
密封型式 非接触式
密封圈材质 丁腈橡胶
精度 Class 0
结构 单列
系数 16.1
径向游隙 CN
基本额定静载荷 1110 lbf
4950 N
4.95 kN
基本额定动载荷 1330 lbf
5950 N
5.95 kN
附件 双面密封
应用温度范围 -40 to 250 ºF
-40 to 120 ºC

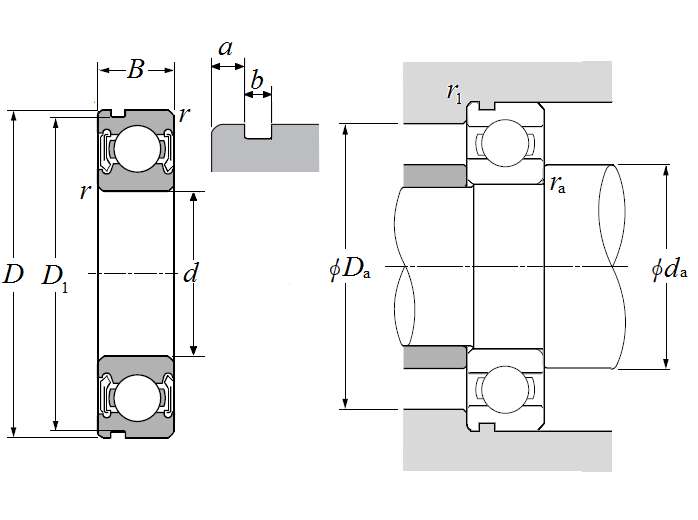
NTN 6809JRLLBN轴承尺寸规格

单列深沟球轴承 - 双面密封(非接触式橡胶密封),带止动环槽 - 尺寸
d 1.7717 in
45.000 mm
D 2.2835 in
58.000 mm
B 0.2756 in
7.000 mm
D1 2.2323 in
56.700 mm
a 0.0512 in
1.300 mm
b 0.0374 in
0.950 mm
r 0.0118 in
0.300 mm
r1 0.0118 in
0.300 mm
da min 1.8504 in
47.000 mm
da max 1.8898 in
48.000 mm
Da max 2.2047 in
56.000 mm
ras max 0.0118 in
0.300 mm
NTN 6809JRLLBN轴承图纸
尺寸图
轴承推荐