您好!欢迎访问「常州高可智能科技有限公司」网站!

NTN 6221ZN轴承尺寸、参数、图纸、互换、价格

NTN 6221ZN轴承

更新时间:2026.04.26

轴承型号:6221ZN,单列深沟球轴承 - 单面防尘盖带止动环槽,其基础型号为6221,后缀列表:【Z:单面带防尘盖】【N:带止动槽】

技术研究
技术研究 如您是工程师,需要对轴承进行研究、计算、选型等,都可以直接联系我,微信:caloc-cn。
产品咨询
产品咨询 如您对产品有任何需求,包括询价、采买以及替换等,都可以直接联系我,联系方式如下。
在线咨询咨询热线
138 6103 7112
电话咨询电话/微信(长按复制)
13504113081

NTN 6221ZN轴承代号说明

6
2
2
1
Z
N
6:深沟球轴承
2:尺寸系列:02系列
21:内径:105 mm
Z:单面带防尘盖
N:带止动槽
6:
深沟球轴承
2:
尺寸系列:02系列
21:
内径:105 mm
Z:
单面带防尘盖
N:
带止动槽

NTN 6221ZN轴承技术规格

类型 滚珠轴承
内孔型式 圆柱孔
材质 高碳铬钢
保持架型式 压制
保持架材质
极限转速-油润滑 4200转/分钟
极限转速-脂润滑 3500转/分钟
密封型式
密封圈材质
精度 Class 0
结构 单列
系数 14.4
径向游隙 CN
基本额定静载荷 23600 lbf
105000 N
105.00 kN
基本额定动载荷 33040 lbf
147000 N
147.00 kN
附件 单面防尘盖
重量 8.157 lb
3.700 kg
应用温度范围 -40 to 250 ºF
-40 to 120 ºC

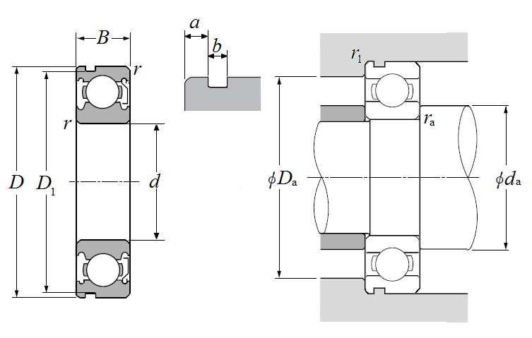
NTN 6221ZN轴承尺寸规格

单列深沟球轴承 - 单面防尘盖带止动环槽 - 尺寸
d 4.1339 in
105.000 mm
D 7.4803 in
190.000 mm
B 1.4173 in
36.000 mm
D1 7.2299 in
183.640 mm
a 0.2240 in
5.690 mm
b 0.1378 in
3.500 mm
r 0.0827 in
2.100 mm
r1 0.0197 in
0.500 mm
da min 4.5669 in
116.000 mm
da max 4.9213 in
125.000 mm
Da max 7.0472 in
179.000 mm
ras max 0.0787 in
2.000 mm

NTN 6221ZN轴承在售型号

在售型号库存数量市场价
6221ZNR2082431.99
注:可直接联系销售人员了解详情。
NTN 6221ZN轴承图纸
尺寸图
轴承推荐