NTN 6208LLBC3/EM轴承尺寸、参数、图纸、互换、价格
NTN 6208LLBC3/EM轴承
更新时间:2026.04.26
轴承型号:6208LLBC3/EM,单列深沟球轴承 - 双面密封(非接触式橡胶密封),其基础型号为6208,后缀列表:【LLB:双面非接触式密封】【C3:C3游隙】【/EM:美孚宝力达 EM(Mobil Polyrex EM)电机润滑脂】
技术研究
如您是工程师,需要对轴承进行研究、计算、选型等,都可以直接联系我,微信:caloc-cn。
产品咨询
如您对产品有任何需求,包括询价、采买以及替换等,都可以直接联系我,联系方式如下。
在线咨询咨询热线
138 6103 7112
138 6103 7112
电话咨询电话/微信(长按复制)
13504113081
13504113081
6
2
0
8
L
L
B
C
3
/
E
M
6:深沟球轴承
2:尺寸系列:02系列
08:内径:40 mm
LLB:双面非接触式密封
C3:C3游隙
/EM:美孚宝力达 EM(Mobil Polyrex EM)电机润滑脂
6:
深沟球轴承
2:
尺寸系列:02系列
08:
内径:40 mm
LLB:
双面非接触式密封
C3:
C3游隙
/EM:
美孚宝力达 EM(Mobil Polyrex EM)电机润滑脂
| 类型 | 深沟球轴承 |
| 内孔型式 | 圆柱孔 |
| 材质 | 高碳铬钢 |
| 保持架型式 | 压制 |
| 保持架材质 | 钢 |
| 滚珠材质 | 钢 |
| 极限转速-脂润滑 | 8700转/分钟 |
| 密封型式 | 非接触式 |
| 密封圈材质 | 丁腈橡胶 |
| 精度 | ISO Class 0 |
| 结构 | 单列 |
| 系数 | 14.0 |
| 径向游隙 | C3 |
| 基本额定静载荷 | 4000 lbf 17800 N 17.80 kN |
| 基本额定动载荷 | 7300 lbf 32500 N 32.50 kN |
| 附件 | 双面密封 |
| 重量 | 0.811 lb 0.368 kg |
| 应用温度范围 | -40 to 250 ºF -40 to 120 ºC |
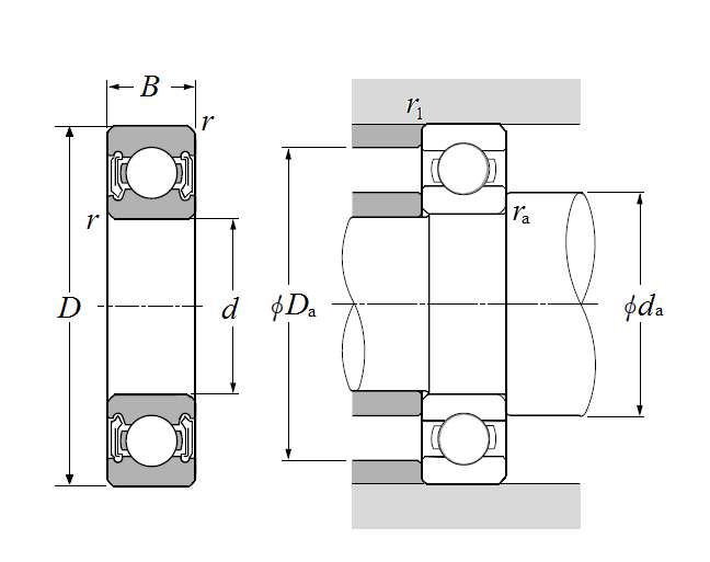
| 单列深沟球轴承 - 双面密封(非接触式橡胶密封) - 尺寸 | |
| d | 1.5748 in 40.000 mm |
| D | 3.1496 in 80.000 mm |
| B | 0.7087 in 18.000 mm |
| r | 0.0433 in 1.100 mm |
| r1 | 0.0118 in 0.300 mm |
| da min | 1.8307 in 46.500 mm |
| da max | 2.0079 in 51.000 mm |
| Da max | 2.8937 in 73.500 mm |
| ras max | 0.0394 in 1.000 mm |