NTN 5S-2LA-HSF010AD轴承尺寸、参数、图纸、互换、价格
NTN 5S-2LA-HSF010AD轴承
更新时间:2026.04.26
轴承型号:5S-2LA-HSF010AD,超高速角接触球轴承 - HSF型,其基础型号为010,前缀列表:【5S-:陶瓷球轴承】【2LA-:改进表面处理的特殊材料】【HSF:超高速角接触轴承.HSF型】,后缀列表:【AD:接触角 25º】
技术研究
如您是工程师,需要对轴承进行研究、计算、选型等,都可以直接联系我,微信:caloc-cn。
产品咨询
如您对产品有任何需求,包括询价、采买以及替换等,都可以直接联系我,联系方式如下。
在线咨询咨询热线
138 6103 7112
138 6103 7112
电话咨询电话/微信(长按复制)
13504113081
13504113081
5
S
-
2
L
A
-
H
S
F
0
1
0
A
D
5S-:陶瓷球轴承
2LA-:改进表面处理的特殊材料
HSF:超高速角接触轴承.HSF型
0:尺寸系列:10系列
10:内径:50 mm
AD:接触角 25º
5S-:
陶瓷球轴承
2LA-:
改进表面处理的特殊材料
HSF:
超高速角接触轴承.HSF型
0:
尺寸系列:10系列
10:
内径:50 mm
AD:
接触角 25º
| 类型 | 角接触球轴承 |
| 内孔型式 | 圆柱孔 |
| 材质 | 高碳铬钢 |
| 保持架型式 | 机加工 |
| 保持架材质 | 酚醛树脂 |
| 滚珠材质 | 陶瓷 |
| 极限转速-油润滑 | 50000转/分钟 |
| 结构 | 单列 |
| 基本额定静载荷 | 1390 lbf 6200 N 6.20 kN |
| 基本额定动载荷 | 2270 lbf 10100 N 10.10 kN |
| 附件 | 开式 |
| 应用温度范围 | -40 to 250 ºF -40 to 120 ºC |
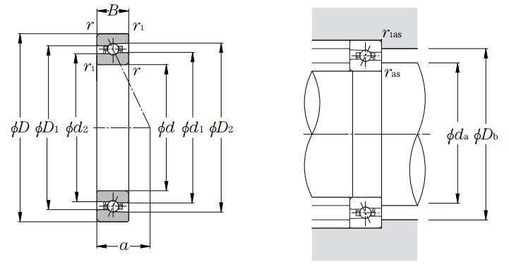
| 超高速角接触球轴承 - HSF型 - 尺寸 | |
| d | 1.9685 in 50.000 mm |
| D | 3.1496 in 80.000 mm |
| B | 0.6299 in 16.000 mm |
| d1 | 2.4252 in 61.600 mm |
| d2 | 2.3858 in 60.600 mm |
| D1 | 2.6929 in 68.400 mm |
| D2 | 2.7913 in 70.900 mm |
| r | 0.0394 in 1.000 mm |
| r1 | 0.0236 in 0.600 mm |
| 接触角 | 25 º |
| a | 0.9173 in 23.300 mm |
| da min | 2.1850 in 55.500 mm |
| db min | 2.1457 in 54.500 mm |
| Da max | 2.9331 in 74.500 mm |
| Db max | 2.9724 in 75.500 mm |
| ras max | 0.0394 in 1.000 mm |
| r1as max | 0.0236 in 0.600 mm |
| 双列宽度 | 1.2598 in 32.000 mm |
| 三列宽度 | 1.8898 in 48.000 mm |
| 四列宽度 | 2.5197 in 64.000 mm |