您好!欢迎访问「常州高可智能科技有限公司」网站!

NTN 3AC14D1轴承尺寸、参数、图纸、互换、价格

NTN 3AC14D1轴承

更新时间:2026.04.26

轴承型号:3AC14D1,重型盘式轴承 - 球面外圈,3系列,其基础型号为3A141,前缀列表:【D:盘式轴承】【C:圆柱外圈】

技术研究
技术研究 如您是工程师,需要对轴承进行研究、计算、选型等,都可以直接联系我,微信:caloc-cn。
产品咨询
产品咨询 如您对产品有任何需求,包括询价、采买以及替换等,都可以直接联系我,联系方式如下。
在线咨询咨询热线
138 6103 7112
电话咨询电话/微信(长按复制)
13504113081

NTN 3AC14D1轴承代号说明

D
C
3
A
1
4
1
D:盘式轴承
C:圆柱外圈
3A141:型号:3A141
D:
盘式轴承
C:
圆柱外圈
3A141:
型号:3A141

NTN 3AC14D1轴承技术规格

类型 重型盘式轴承
内孔型式 圆柱孔
外圈类型 球面
材质 淬透钢
保持架型式 压制
保持架材质
滚珠材质
密封型式 接触式
密封圈材质 丁腈橡胶
精度 ISO Class 0
结构 单列
润滑方式 可再润滑
径向游隙 CN
基本额定静载荷 44000 N
基本额定动载荷 62000 N
附件 双面密封
应用温度范围 -40 to 250 ºF
-40 to 120 ºC

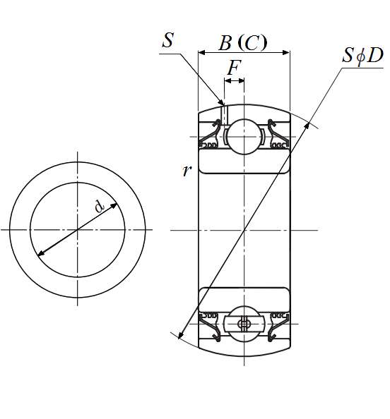
NTN 3AC14D1轴承尺寸规格

重型盘式轴承 - 球面外圈,3系列 - 尺寸
d 2.7559 in
70.000 mm
D 4.9213 in
125.000 mm
C 1.5626 in
39.690 mm
B 1.5626 in
39.690 mm
r 0.0787 in
2.000 mm
F 0.3701 in
9.400 mm
s 0.1181 in
3.000 mm
NTN 3AC14D1轴承图纸
尺寸图
轴承推荐