NTN 3212S轴承尺寸、参数、图纸、互换、价格
NTN 3212S轴承
更新时间:2026.04.26
轴承型号:3212,双列角接触球轴承 - 开式,可替换的SKF轴承型号为:SKF 3212A轴承,其基础型号为3212,后缀列表:【S:内部设计优化】
技术研究
如您是工程师,需要对轴承进行研究、计算、选型等,都可以直接联系我,微信:caloc-cn。
产品咨询
如您对产品有任何需求,包括询价、采买以及替换等,都可以直接联系我,联系方式如下。
在线咨询咨询热线
138 6103 7112
138 6103 7112
电话咨询电话/微信(长按复制)
13504113081
13504113081
3
2
1
2
S
3:双列角接触球轴承带填充槽
2:尺寸系列:02系列
12:内径:60 mm
S:内部设计优化
3:
双列角接触球轴承带填充槽
2:
尺寸系列:02系列
12:
内径:60 mm
S:
内部设计优化
| 类型 | 角接触球轴承 |
| 内孔型式 | 圆柱孔 |
| 外圈类型 | 直筒型 |
| 材质 | 高碳铬钢 |
| 保持架型式 | 压制 |
| 保持架材质 | 钢 |
| 滚珠材质 | 钢 |
| 精度 | Class 0 |
| 结构 | 双列 |
| 径向游隙 | CN |
| 基本额定静载荷 | 17300 lbf 77000 N 77.00 kN |
| 基本额定动载荷 | 14400 lbf 64000 N 64.00 kN |
| 附件 | 开式 |
| 应用温度范围 | -40 to 250 ºF -40 to 120 ºC |
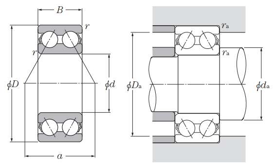
| 双列角接触球轴承 - 开式 - 尺寸 | |
| d | 2.3622 in 60.000 mm |
| D | 4.3307 in 110.000 mm |
| B | 1.4370 in 36.500 mm |
| r | 0.0197 in 0.500 mm |
| 接触角 | 32 º |
| a | 2.6575 in 67.500 mm |
| da min | 2.6969 in 68.500 mm |
| Da max | 3.9961 in 101.500 mm |
| ras max | 0.0591 in 1.500 mm |