您好!欢迎访问「常州高可智能科技有限公司」网站!

NTN 32008X-G轴承尺寸、参数、图纸、互换、价格

NTN 32008X-G轴承

更新时间:2026.04.26

轴承型号:32008X-G,圆锥滚子轴承内圈 - 公制系列

技术研究
技术研究 如您是工程师,需要对轴承进行研究、计算、选型等,都可以直接联系我,微信:caloc-cn。
产品咨询
产品咨询 如您对产品有任何需求,包括询价、采买以及替换等,都可以直接联系我,联系方式如下。
在线咨询咨询热线
138 6103 7112
电话咨询电话/微信(长按复制)
13504113081

NTN 32008X-G轴承技术规格

类型 内圈
内孔型式 圆柱孔
材质 外壳渗碳钢
基本额定静载荷 14700 lbf
65500 N
65.50 kN
基本额定动载荷 11200 lbf
50000 N
50.00 kN
应用温度范围 -40 to 250 ºF
-40 to 120 ºC

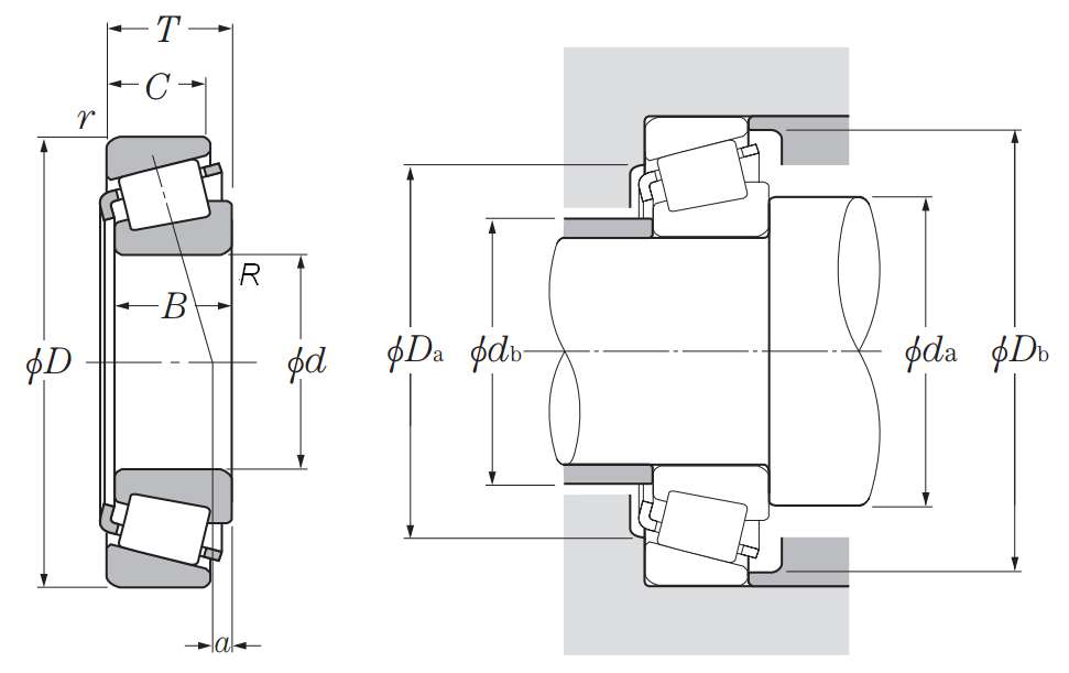
NTN 32008X-G轴承尺寸规格

圆锥滚子轴承内圈 - 公制系列 - 尺寸
d 1.5748 in
40.000 mm
B 0.7480 in
19.000 mm
R 0.0400 in
1.000 mm
da 1.79 in
45.5 mm
db 1.81 in
46.0 mm
a(有效荷载中心) -0.1600 in
-4.000 mm
NTN 32008X-G轴承图纸
尺寸图
轴承推荐