NTN 2LA-HSE014T2DTBT#24轴承尺寸、参数、图纸、互换、价格
NTN 2LA-HSE014T2DTBT#24轴承
更新时间:2026.04.26
轴承型号:2LA-HSE014T2DTBT#24,高速多列角接触球轴承,串联配对,其基础型号为014,前缀列表:【2LA-:改进表面处理的特殊材料】【HSE:高速角接触球轴承.HSE Ultage型,默认接触角 20º】,后缀列表:【T2:模制塑料、尼龙或聚四氟乙烯保持架】【DTBT:四列配对 / / \ \ 】【#24:无意义后缀】
技术研究
如您是工程师,需要对轴承进行研究、计算、选型等,都可以直接联系我,微信:caloc-cn。
产品咨询
如您对产品有任何需求,包括询价、采买以及替换等,都可以直接联系我,联系方式如下。
在线咨询咨询热线
138 6103 7112
138 6103 7112
电话咨询电话/微信(长按复制)
13504113081
13504113081
2
L
A
-
H
S
E
0
1
4
T
2
D
T
B
T
#
2
4
2LA-:改进表面处理的特殊材料
HSE:高速角接触球轴承.HSE Ultage型,默认接触角 20º
0:尺寸系列:10系列
14:内径:70 mm
T2:模制塑料、尼龙或聚四氟乙烯保持架
DTBT:四列配对 / / \ \
#24:无意义后缀
2LA-:
改进表面处理的特殊材料
HSE:
高速角接触球轴承.HSE Ultage型,默认接触角 20º
0:
尺寸系列:10系列
14:
内径:70 mm
T2:
模制塑料、尼龙或聚四氟乙烯保持架
DTBT:
四列配对 / / \ \
#24:
无意义后缀
| 类型 | 角接触球轴承 |
| 内孔型式 | 圆柱孔 |
| 材质 | 高碳铬钢 |
| 保持架型式 | 玻璃纤维增强 |
| 保持架材质 | 尼龙 |
| 滚珠材质 | 钢 |
| 精度 | 特殊精度 |
| 结构 | 四列 |
| 径向游隙 | 特殊游隙 |
| 附件 | 开式 |
| 应用温度范围 | -40 to 250 ºF -40 to 120 ºC |
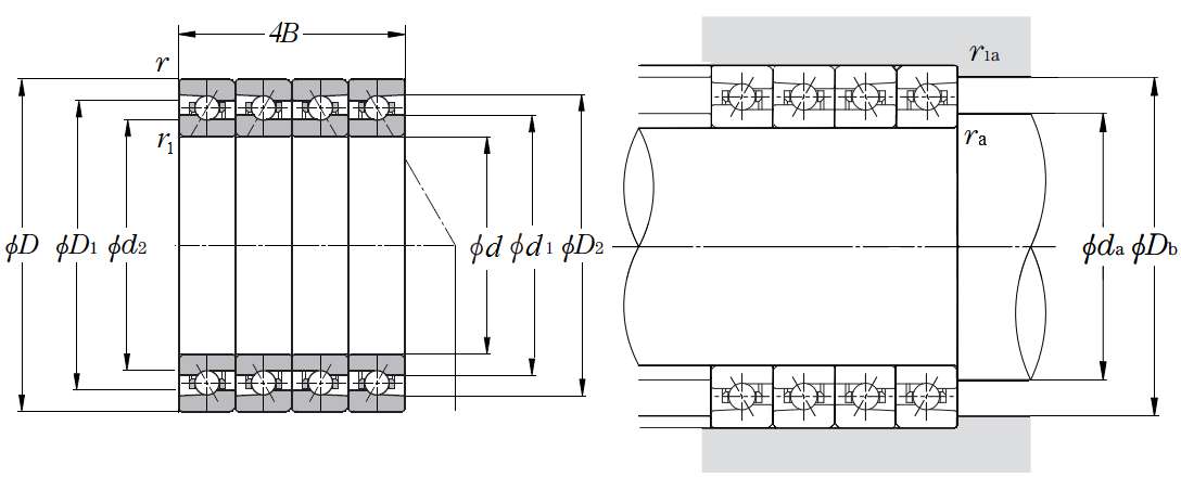
| 高速多列角接触球轴承 - HSE Ultage系列 - 尺寸 | |
| d | 2.7559 in 70.000 mm |
| D | 4.3307 in 110.000 mm |
| B | 0.7874 in 20.000 mm |
| 4B | 3.1496 in 80.000 mm |
| d1 | 3.3386 in 84.800 mm |
| D1 | 3.7480 in 95.200 mm |
| D2 | 3.9016 in 99.100 mm |
| r | 0.0433 in 1.100 mm |
| r1 | 0.0236 in 0.600 mm |
| 接触角 | 20 º |
| da min | 3.0315 in 77.000 mm |
| Da max | 4.0551 in 103.000 mm |
| Db max | 4.1535 in 105.500 mm |
| ras max | 0.0394 in 1.000 mm |
| r1as max | 0.0236 in 0.600 mm |