您好!欢迎访问「常州高可智能科技有限公司」网站!

NTN 1AS08-1D1轴承尺寸、参数、图纸、互换、价格

NTN 1AS08-1D1轴承

更新时间:2026.04.26

轴承型号:1AS08-1D1,重型盘式轴承 - 方孔,球面外圈,1系列,其基础型号为08-1,前缀列表:【1A:重型盘式轴承,1系列】【S:球面外圈】,后缀列表:【D1:带油槽油孔,可再润滑】

技术研究
技术研究 如您是工程师,需要对轴承进行研究、计算、选型等,都可以直接联系我,微信:caloc-cn。
产品咨询
产品咨询 如您对产品有任何需求,包括询价、采买以及替换等,都可以直接联系我,联系方式如下。
在线咨询咨询热线
138 6103 7112
电话咨询电话/微信(长按复制)
13504113081

NTN 1AS08-1D1轴承代号说明

1
A
S
0
8
-
1
D
1
1A:重型盘式轴承,1系列
S:球面外圈
08-1:型号:08-1
D1:带油槽油孔,可再润滑
1A:
重型盘式轴承,1系列
S:
球面外圈
08-1:
型号:08-1
D1:
带油槽油孔,可再润滑

NTN 1AS08-1D1轴承技术规格

类型 重型盘式轴承
内孔型式 方孔
外圈类型 球面
材质 淬透钢
保持架型式 压制
保持架材质
滚珠材质
密封型式 接触式
密封圈材质 丁腈橡胶
精度 Class 0
结构 单列
径向游隙 CN
润滑方式 重新润滑
基本额定静载荷 4000 lbf
17800 N
17.80 kN
基本额定动载荷 6550 lbf
29100 N
29.10 kN
附件 双面密封
应用温度范围 -40 to 250 ºF
-40 to 120 ºC

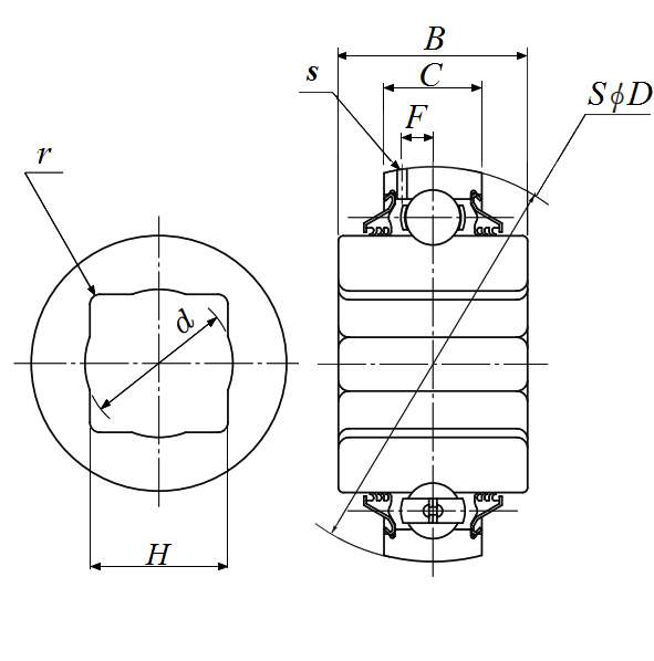
NTN 1AS08-1D1轴承尺寸规格

重型盘式轴承 - 方孔,球面外圈,1系列 - 尺寸
H 1.0300 in
26.162 mm
D 3.1496 in
80.000 mm
C 0.7087 in
18.000 mm
B 1.4370 in
36.500 mm
d 1.0945 in
27.800 mm
r 0.0886 in
2.250 mm
D -公差 0/-0.0005 in
0/-0.013 mm
H -公差 0.0050/-0.0050 in
0.127/-0.127 mm
C -公差 0/-0.0047 in
0/-0.120 mm
B -公差 0/-0.0047 in
0/-0.120 mm
轴径 1.000 in
25.400 mm
NTN 1AS08-1D1轴承图纸
尺寸图
轴承推荐