INA ZKLR1035-2Z轴承尺寸、参数、图纸、互换、价格
INA ZKLR1035-2Z轴承
更新日期:2025-03-17 19:27:13
市场价:¥419.06元
销售价:电话咨询
库存:105套
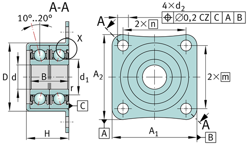
INA ZKLR1035-2Z轴承属于角接触球轴承单元 ZKLR..-2Z 系列,双向,螺钉安装,两侧间隙密封。
前缀列表:【ZKLR:丝杠用双列推力角接触球轴承单元(螺栓安装)】。后缀列表:【-2Z:两侧带间隙式金属防尘盖】。
技术研究
如您是工程师,需要对轴承进行研究、计算、选型等,都可以直接联系我,微信:caloc-cn。
产品咨询
如您对产品有任何需求,包括询价、采买以及替换等,都可以直接联系我,联系方式如下。
在线咨询咨询热线
138 6103 7112
138 6103 7112
电话咨询电话/微信(长按复制)
13504113081
13504113081
Z
K
L
R
1
0
3
5
-
2
Z
ZKLR:丝杠用双列推力角接触球轴承单元(螺栓安装)
10:内径代号,内径:10 mm
35:宽度代号,宽度:35 mm
-2Z:两侧带间隙式金属防尘盖
ZKLR:
丝杠用双列推力角接触球轴承单元(螺栓安装)
10:
内径代号,内径:10 mm
35:
宽度代号,宽度:35 mm
-2Z:
两侧带间隙式金属防尘盖
| 主要尺寸&性能数据 | ||
| d | 10 mm | 内径 |
| 0 mm | 内径上公差 | |
| -0.008 mm | 内径下公差 | |
| D | 28.14 mm | 轴承箱外径 |
| 0.03 mm | 轴承箱外径上公差 | |
| -0.01 mm | 轴承箱外径下公差 | |
| B | 16 mm | 内圈宽度 |
| 0.25 mm | 内圈宽度上公差 | |
| -0.25 mm | 内圈宽度下公差 | |
| Cr | 7,000 N | 径向额定动载荷 |
| C0r | 3,900 N | 径向额定静载荷 |
| Ca | 2,430 N | 基本额定动载荷,轴向 |
| C0a | 2,420 N | 基本额定静载荷,轴向 |
| Cur | 203 N | 径向极限疲劳载荷 |
| nG Grease | 5,100 1/min | 极限转速-脂润滑 |
| MRL | 0.12 Nm | 轴承摩擦力矩 |
| 52.898 g | 重量 | |
| 尺寸参数 | ||
| d1 | 13.55 mm | 内圈挡边直径 |
| rmin | 0.3 mm | 最小倒角尺寸 |
| d2 | 4.5 mm | 固定孔直径 |
| A1 | 35 mm | 法兰宽度 |
| A2 | 35 mm | 法兰高度 |
| m | 26 mm | 孔距高度 |
| n | 26 mm | 孔距宽度 |
| H | 17.5 mm | 外壳高度 |
| 0 mm | 外壳高度上公差 | |
| -0.5 mm | 外壳高度下公差 | |
| 安装参数 | ||
| da | 12.4 mm | 轴肩直径 |
| Dai | 22 mm | 外圈内侧支架直径 |
| Daa min | 26 mm | 外圈最小支撑直径 |
| M4 | 螺钉尺寸 | |
| n | 4 | 螺钉数量 |
| t1 | 0.2 mm | 将孔定位到壳体中 |
| 附加附件 | ||
| caL | 19 N/µm | 轴向刚度 |
| Mm | 0.008 kg * cm² | 质量惯性矩 |
| 7 µm | 轴向跳动 | |
| ZM10 | 锁紧螺母1 | |
| MA | 6 Nm | 螺母拧紧力矩 |
| 密封 | 2Z | 两侧带最小间隙密封件 |

