INA GE420-DF-G9轴承尺寸、参数、图纸、互换、价格
INA GE420-DF-G9轴承
更新日期:2025-03-07 17:23:08
市场价:¥112413.94元
销售价:电话咨询
库存:1套
INA GE420-DF-G9轴承属于向心关节轴承,低维护成本,滑动接触面:GFK/硬铬,符合 DIN ISO 12240-1 标准,尺寸C系列,开式设计。
前缀列表:【GE:向心关节轴承】。后缀列表:【-DF:免维护大尺寸向心关节轴承,内圈的曲面和外圈的外表面镀硬铬,DIN ISO 12240-1 尺寸C系列】【-G9:外圈外表面镀硬铬】。
技术研究
如您是工程师,需要对轴承进行研究、计算、选型等,都可以直接联系我,微信:caloc-cn。
产品咨询
如您对产品有任何需求,包括询价、采买以及替换等,都可以直接联系我,联系方式如下。
在线咨询咨询热线
138 6103 7112
138 6103 7112
电话咨询电话/微信(长按复制)
13504113081
13504113081
G
E
4
2
0
-
D
F
-
G
9
GE:向心关节轴承
420:内径代号,公称内径:420 mm,若为英制,请参见尺寸表
-DF:免维护大尺寸向心关节轴承,内圈的曲面和外圈的外表面镀硬铬,DIN ISO 12240-1 尺寸C系列
-G9:外圈外表面镀硬铬
GE:
向心关节轴承
420:
内径代号,公称内径:420 mm,若为英制,请参见尺寸表
-DF:
免维护大尺寸向心关节轴承,内圈的曲面和外圈的外表面镀硬铬,DIN ISO 12240-1 尺寸C系列
-G9:
外圈外表面镀硬铬
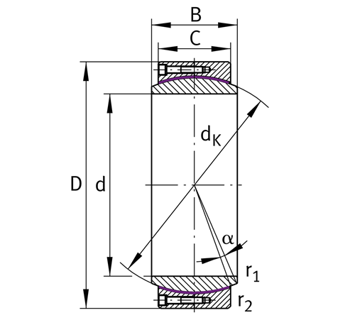
| 主要尺寸&性能数据 | ||
| D | 560 mm | 轴承外径 |
| d | 420 mm | 轴承内径 |
| B | 190 mm | 内圈宽度 |
| C | 160 mm | 外圈宽度 |
| Cr | 4,700,000 N | 径向额定动载荷 |
| C0r | 7,060,000 N | 径向额定静载荷 |
| 120.4 kg | 重量 | |
| 尺寸参数 | ||
| dK | 490 mm | 滚珠直径 |
| α | 3.7 ° | 倾角 |
| Gr | 0,135-0,36 mm | 径向游隙 |
| dOT | 0.063 mm | 轴承内径,上公差 |
| dUT | 0 mm | 轴承内径,下公差 |
| dT | H7 mm | 轴承内径,公差 |
| DOT | 0 mm | 外径,上公差 |
| DUT | -0.06 mm | 外径,下公差 |
| BOT | 0 mm | 带内圈,上公差 |
| BUT | -0.4 mm | 带内圈,下公差 |
| COT | 0 mm | 带外圈,上公差 |
| 安装参数 | ||
| r1smin | 1.5 mm | 边缘间距 |
| r2smin | 1 mm | 边缘间距 |
| da max | 451.7 mm | 连接测量内圈 |
| Da min | 469 mm | 壳体连接直径 |
| 工作温度 | ||
| Tmin | -20 °C | 最低工作温度 |
| Tmax | 75 °C | 最高工作温度 |
| 密封 | 不带 | |
| 涂层 | G9 | 外圈外表面硬铬涂层,内圈孔带 H7公差 |
| 布料 | GFK+PTFE | 添加PTFE的玻璃纤维增强滑动塑料板 |
| 材质 | 钢 | 钢 |
