INA CSCA100-HLE轴承尺寸、参数、图纸、互换、价格
INA CSCA100-HLE轴承
更新日期:2025-02-27 12:11:02
市场价:¥13029.36元
销售价:电话咨询
库存:6套
INA CSCA100-HLE轴承属于深沟球轴承,薄截面轴承 CSCA 系列,带黄铜金属板保持架。
前缀列表:【CS:薄壁系列轴承】【C:深沟球型】【A:横截面高度 1/4"】。后缀列表:【-HLE:产地:美国】。
技术研究
如您是工程师,需要对轴承进行研究、计算、选型等,都可以直接联系我,微信:caloc-cn。
产品咨询
如您对产品有任何需求,包括询价、采买以及替换等,都可以直接联系我,联系方式如下。
在线咨询咨询热线
138 6103 7112
138 6103 7112
电话咨询电话/微信(长按复制)
13504113081
13504113081
C
S
C
A
1
0
0
-
H
L
E
CS:薄壁系列轴承
C:深沟球型
A:横截面高度 1/4"
100:标称轴直径:10 in
-HLE:产地:美国
CS:
薄壁系列轴承
C:
深沟球型
A:
横截面高度 1/4"
100:
标称轴直径:10 in
-HLE:
产地:美国
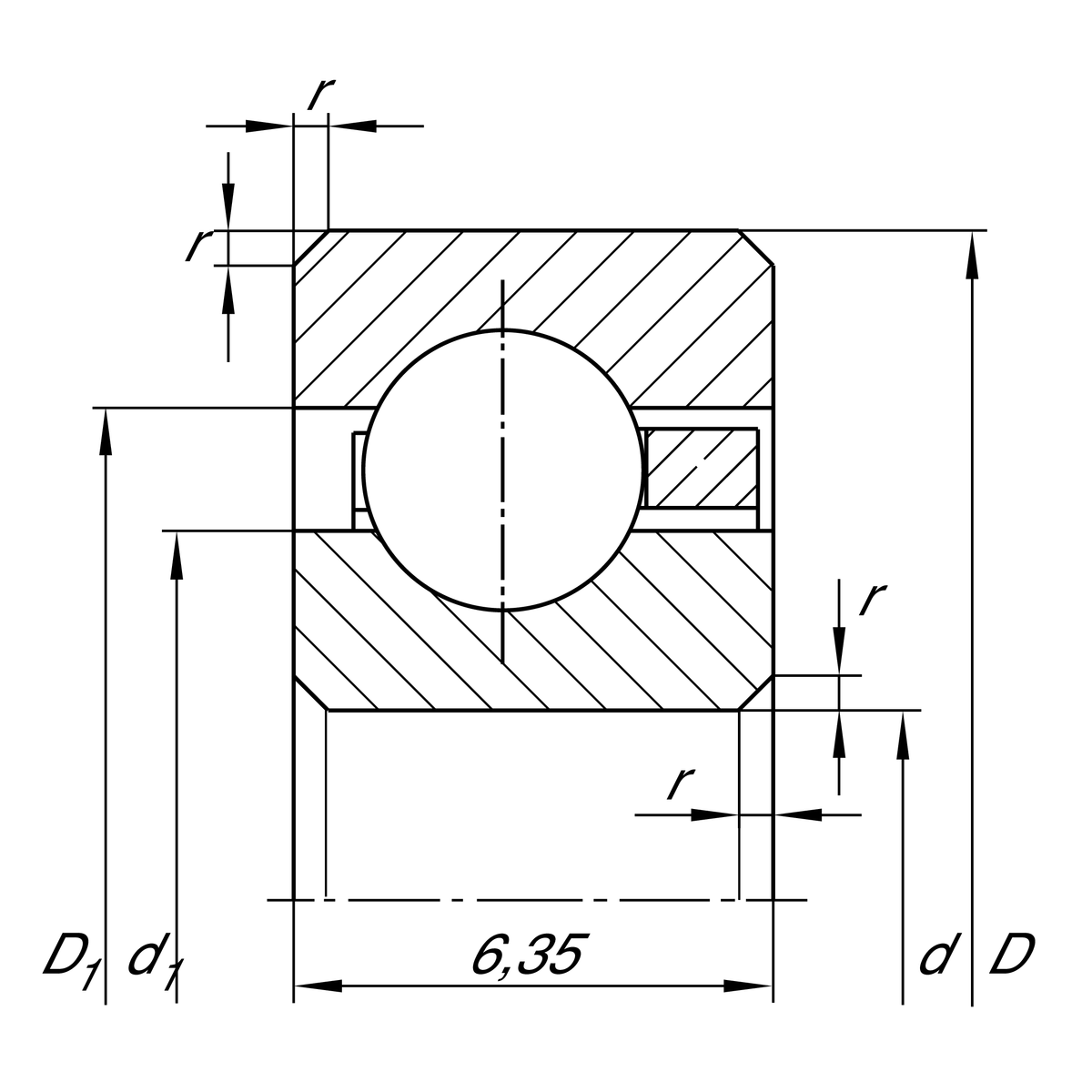
| 主要尺寸&性能数据 | ||
| d | 254 mm | 内径 |
| d | 10 inch | 内径(英制) |
| D | 266.7 mm | 外径 |
| B | 6.35 mm | 宽度 |
| Cr | 5,800 N | 径向额定动载荷 |
| C0r | 12,800 N | 径向额定静载荷 |
| nG | 2,150 1/min | 极限转速-油润滑 |
| 230 g | 重量 | |
| 尺寸参数 | ||
| rmin | 0.6 mm | 最小倒角尺寸 |
| d1 | 258.7 mm | 内圈肩径 |
| D1 | 262 mm | 外圈肩径 |
| 工作温度 | ||
| Tmin | -30 °C | 最低工作温度 |
| Tmax | 120 °C | 最高工作温度 |
| 后勤代码 | HLE | - |
| 密封 | 不带 | 无密封 |
| 保持架 | YH | 黄铜金属板 |
| 公差等级 | PL1 | PL1级,普通级 |
| 润滑方式 | 不带 | 轴承无需润滑 |
