FAG 22252-BEA-XL-K-MB1-CN轴承尺寸、参数、图纸、互换、价格
FAG 22252-BEA-XL-K-MB1-CN轴承
更新日期:2025-02-21 15:13:24
市场价:¥21729.7元
销售价:电话咨询
库存:5套
FAG 22252-BEA-XL-K-MB1-CN轴承属于调心滚子轴承 222..-BEA-XL-K-MB1 系列,带两个对称的挡边,带挡边垫圈。
后缀列表:【-BE:最大容量设计】【A:改进的内部结构设计】【-XL:X-life 长寿命轴承标记】【-K:锥孔,锥角 1:12】【-MB:内圈引导,实体黄铜保持架】【1:包装代码】【-CN:CN 游隙(普通游隙)】。
技术研究
如您是工程师,需要对轴承进行研究、计算、选型等,都可以直接联系我,微信:caloc-cn。
产品咨询
如您对产品有任何需求,包括询价、采买以及替换等,都可以直接联系我,联系方式如下。
在线咨询咨询热线
138 6103 7112
138 6103 7112
电话咨询电话/微信(长按复制)
13504113081
13504113081
2
2
2
5
2
-
B
E
A
-
X
L
-
K
-
M
B
1
-
C
N
2:调心滚子轴承
2:宽度系列:2系列
2:直径系列:2系列
52:内径:260 mm
-BE:最大容量设计
A:改进的内部结构设计
-XL:X-life 长寿命轴承标记
-K:锥孔,锥角 1:12
-MB:内圈引导,实体黄铜保持架
1:包装代码
-CN:CN 游隙(普通游隙)
2:
调心滚子轴承
2:
宽度系列:2系列
2:
直径系列:2系列
52:
内径:260 mm
-BE:
最大容量设计
A:
改进的内部结构设计
-XL:
X-life 长寿命轴承标记
-K:
锥孔,锥角 1:12
-MB:
内圈引导,实体黄铜保持架
1:
包装代码
-CN:
CN 游隙(普通游隙)
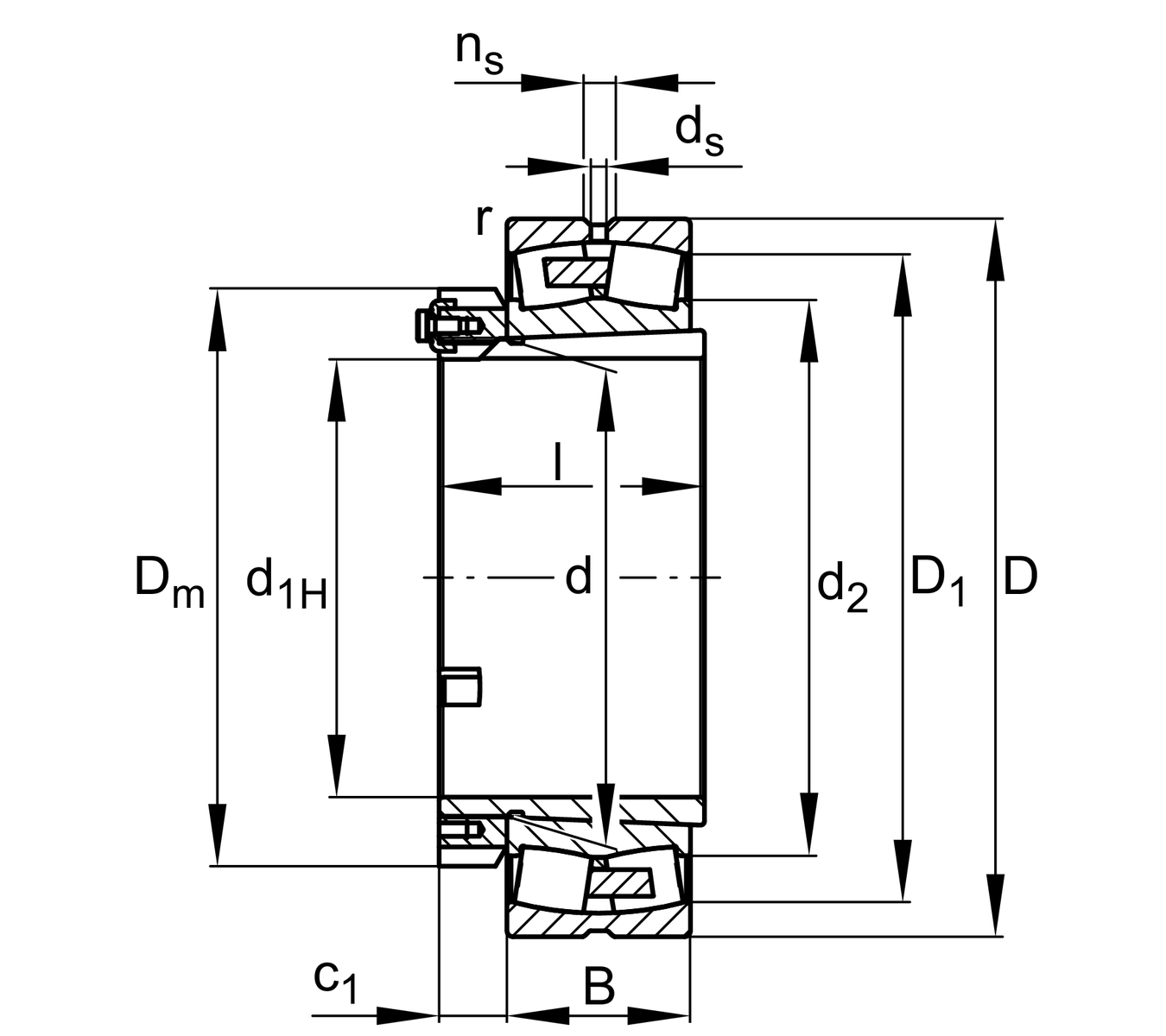
| 主要尺寸&性能数据 | ||
| d | 260 mm | 内径 |
| D | 480 mm | 外径 |
| B | 130 mm | 宽度 |
| Cr | 2,600,000 N | 径向额定动载荷 |
| C0r | 3,450,000 N | 径向额定静载荷 |
| Cur | 295,000 N | 径向疲劳极限载荷 |
| nG | 1,720 1/min | 极限转速 |
| nϑr | 1,070 1/min | 参考转速 |
| 101.01 kg | 重量 | |
| 尺寸参数 | ||
| rmin | 5 mm | 最小倒角尺寸 |
| D1 | 415.1 mm | 外圈内径 |
| ds | 12.5 mm | 润滑孔直径 |
| ns | 23.5 mm | 润滑油槽宽度 |
| 安装参数 | ||
| da min | 280 mm | 轴肩最小直径 |
| Da max | 460 mm | 壳肩最大直径 |
| ra max | 4 mm | 最大凹槽半径 |
| da max | 308 mm | 轴肩最大直径 |
| db min | 276 mm | 套筒最小空腔直径 |
| Ba min | 25 mm | 套筒最小空腔宽度 |
| 工作温度 | ||
| Tmin | -30 °C | 最低工作温度 |
| Tmax | 200 °C | 最高工作温度 |
| 系数 | ||
| e | 0.26 | 与 X-Y 适配的 Fa/Fr 限值 |
| Y1 | 2.57 | 动态轴向载荷系数 |
| Y2 | 3.83 | 动态轴向载荷系数 |
| Y | 2.52 | 静态轴向载荷系数 |
| 附加附件 | ||
| H3152X | 紧定套 | |
| AH2252G | 退卸套 | |
| 设计 | BEA | 带中心唇环 |
| 内孔型式 | K | 锥孔,锥角1:12 |
| 保持架 | MB1 | 实心黄铜保持架 |
| 径向游隙 | CN | CN 游隙 |
| 润滑方式 | 标准 |
| 其他型号 | 市场价 | 销售价 | 库存 |
| FAG 22252-BEA-XL-K-MB1-C3轴承 | ¥14016.28元 | - | 2 |
| FAG 22252-B-K-MB轴承 | ¥16375.72元 | - | 2 |
| FAG 22252-BEA-XL-K-MB1轴承 | ¥17671.44元 | - | 5 |
