您好!欢迎访问「常州高可智能科技有限公司」网站!

NTN UKFCX15D1 (when used with HE2315X)轴承尺寸、参数、图纸、互换、价格

NTN UKFCX15D1 (when used with HE2315X)轴承

更新时间:2026.04.26

轴承型号:UKFCX15D1(配合轴承:HE2315X),四螺栓圆形法兰式轴承座,铸造外壳,带紧定衬套,UKFC型

技术研究
技术研究 如您是工程师,需要对轴承进行研究、计算、选型等,都可以直接联系我,微信:caloc-cn。
产品咨询
产品咨询 如您对产品有任何需求,包括询价、采买以及替换等,都可以直接联系我,联系方式如下。
在线咨询咨询热线
138 6103 7112
电话咨询电话/微信(长按复制)
13504113081

NTN UKFCX15D1 (when used with HE2315X)轴承技术规格

类型 四螺栓圆形法兰式轴承座
轴承类型 滚珠轴承
锁紧装置 紧定衬套
密封型式 接触式
密封圈材质 丁腈橡胶
轴承型号 UKX15D1
轴承座型号 FCX15D1
壳体材质 铸铁
壳体铸造型式 一体成型
端盖类型 开式
性能 中型
基本额定动载荷 16300 lbf
72500 N
72.50 kN
基本额定静载荷 11900 lbf
53000 N
53.00 kN
重量 18.000 lb
8.200 kg
应用温度范围 -40 to 250 ºF
-40 to 120 ºC
润滑方式 可再润滑

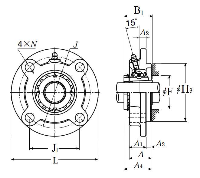
NTN UKFCX15D1 (when used with HE2315X)轴承尺寸规格

四螺栓圆形法兰式轴承座,铸造外壳,带紧定衬套,UKFC型 - 尺寸
d 2.5000 in
63.500 mm
L 8.7500 in
222.0 mm
J 7.4844 in
190.0 mm
J1 5.2812 in
134.3 mm
A 2.2500 in
57.0 mm
A1 1.3750 in
35.000 mm
A2 0.4687 in
12.0 mm
A3 0.8594 in
22.0 mm
A4 2.8740 in
73.000 mm
H3 6.4567 in
164.0 mm
N 0.7500 in
19.0 mm
B1 3.0710 in
73.000 mm
F 0.3740 in
9.500 mm
注意 销售图纸反映的是不带紧定衬套的尺寸,实际上是带的,因此需要注意。如不能很好把握,可直接致电020-81178086咨询我们。

NTN UKFCX15D1 (when used with HE2315X)轴承相关配件/适用型号

UKX15D1 详细尺寸,d:75mm,dD:140mm,c:35mm,b:45mm
NTN UKFCX15D1 (when used with HE2315X)轴承图纸
尺寸图
轴承推荐