您好!欢迎访问「常州高可智能科技有限公司」网站!

NTN UELFLU211-201D1轴承尺寸、参数、图纸、互换、价格

NTN UELFLU211-201D1轴承

更新时间:2026.04.26

轴承型号:UELFLU211-201D1,双螺栓菱形法兰式轴承座单元,铸造外壳,带偏心锁紧套,UELFL型

技术研究
技术研究 如您是工程师,需要对轴承进行研究、计算、选型等,都可以直接联系我,微信:caloc-cn。
产品咨询
产品咨询 如您对产品有任何需求,包括询价、采买以及替换等,都可以直接联系我,联系方式如下。
在线咨询咨询热线
138 6103 7112
电话咨询电话/微信(长按复制)
13504113081

NTN UELFLU211-201D1轴承技术规格

类型 双螺栓菱形法兰式轴承座单元
轴承类型 滚珠轴承
锁紧装置 偏心锁紧套
密封型式 接触式
密封圈材质 丁腈橡胶
轴承型号 UEL211-201D1
轴承座型号 FLU211D1
壳体材质 铸铁
壳体铸造型式 一体成型
端盖类型 开式
性能 轻型
基本额定动载荷 9800 lbf
43500 N
43.50 kN
基本额定静载荷 6550 lbf
29200 N
29.20 kN
极限转速 2900转/分钟
重量 7.700 lb
3.490 kg
应用温度范围 -40 to 250 ºF
-40 to 120 ºC
润滑方式 可再润滑

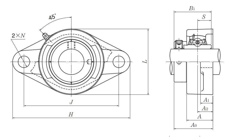
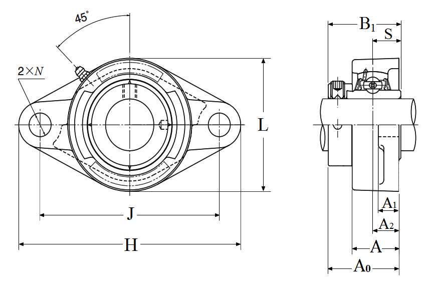
NTN UELFLU211-201D1轴承尺寸规格

双螺栓菱形法兰式轴承座单元,铸造外壳,带偏心锁紧套,UELFLU型 - 尺寸
d 2.0625 in
52.388 mm
H 8.5312 in
217.0 mm
L 5.2812 in
134.0 mm
J 7.2500 in
184.0 mm
A 1.9375 in
49.0 mm
A1 0.8125 in
21.0 mm
A2 1.2187 in
31.0 mm
N 0.7031 in
18.0 mm
B1 2.8110 in
71.400 mm
S 1.0945 in
27.800 mm
F 0.2362 in
6.000 mm

NTN UELFLU211-201D1轴承相关配件/适用型号

UEL211-201D1 详细尺寸,d:52.388mm,dD:100mm,c:25mm,b:71.4mm,r:2mm
NTN UELFLU211-201D1轴承图纸
尺寸图
轴承推荐