NTN UCS209-111LD1N轴承尺寸、参数、图纸、互换、价格
NTN UCS209-111LD1N轴承
更新时间:2026.04.26
轴承型号:UCS209-111LD1N,带紧定螺钉的外球面轴承,宽外圈 - 圆柱内径,带止动环槽,其基础型号为209-111,前缀列表:【UCS:带紧定螺钉,宽外圈,圆柱外圈】,后缀列表:【L:设计变更,更薄的内圈,内径变大】【D1:带油槽油孔,可再润滑】【N:带止动槽】
技术研究
如您是工程师,需要对轴承进行研究、计算、选型等,都可以直接联系我,微信:caloc-cn。
产品咨询
如您对产品有任何需求,包括询价、采买以及替换等,都可以直接联系我,联系方式如下。
在线咨询咨询热线
138 6103 7112
138 6103 7112
电话咨询电话/微信(长按复制)
13504113081
13504113081
U
C
S
2
0
9
-
1
1
1
L
D
1
N
UCS:带紧定螺钉,宽外圈,圆柱外圈
2:系列:轻型承重
09:内径系列:45 mm 系列
-:内径分隔符
111:内径:1.6875 in
L:设计变更,更薄的内圈,内径变大
D1:带油槽油孔,可再润滑
N:带止动槽
UCS:
带紧定螺钉,宽外圈,圆柱外圈
2:
系列:轻型承重
09:
内径系列:45 mm 系列
-:
内径分隔符
111:
内径:1.6875 in
L:
设计变更,更薄的内圈,内径变大
D1:
带油槽油孔,可再润滑
N:
带止动槽
| 类型 | 外球面轴承 |
| 内孔型式 | 圆柱孔 |
| 轴承类型 | 滚珠轴承 |
| 材质 | 淬透钢 |
| 极限转速-脂润滑 | 3500转/分钟 |
| 密封型式 | 接触式 |
| 密封圈材质 | 丁腈橡胶 |
| 性能 | 标准 |
| 锁紧装置 | 2 -120° 紧定螺钉 |
| 润滑方式 | 可再润滑 |
| 基本额定静载荷 | 4600 lbf 20400 N 20.40 kN |
| 基本额定动载荷 | 7300 lbf 32500 N 32.50 kN |
| 附件 | 双面密封 |
| 应用温度范围 | -40 to 250 ºF -40 to 120 ºC |
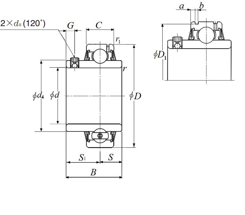
| 带紧定螺钉的外球面轴承,宽外圈 - 圆柱内径,带止动环槽 - 尺寸 | |
| d | 1.6875 in 42.863 mm |
| D | 3.3465 in 85.000 mm |
| C | 0.8661 in 22.000 mm |
| B | 1.9370 in 49.200 mm |
| r | 0.0591 in 1.500 mm |
| r1 | 0.0591 in 1.500 mm |
| ds | 5/16-24 UNF |
| G | 0.3150 in 8.000 mm |
| d4 | 2.2638 in 57.500 mm |
| S1 | 1.1890 in 30.200 mm |
| S | 0.7480 in 19.000 mm |
| a | 0.1378 in 3.500 mm |
| b | 0.0807 in 2.050 mm |
| D1 | 3.2209 in 81.810 mm |
| F | 0.2008 in 5.100 mm |