NTN UCS202LD1NR轴承尺寸、参数、图纸、互换、价格
NTN UCS202LD1NR轴承
更新时间:2026.04.26
轴承型号:UCS202LD1NR,带紧定螺钉的外球面轴承,宽外圈 - 圆柱内径,带止动环,其基础型号为202,前缀列表:【UCS:带紧定螺钉,宽外圈,圆柱外圈】,后缀列表:【L:设计变更,更薄的内圈,内径变大】【D1:带油槽油孔,可再润滑】【NR:带止动环和止动槽】
技术研究
如您是工程师,需要对轴承进行研究、计算、选型等,都可以直接联系我,微信:caloc-cn。
产品咨询
如您对产品有任何需求,包括询价、采买以及替换等,都可以直接联系我,联系方式如下。
在线咨询咨询热线
138 6103 7112
138 6103 7112
电话咨询电话/微信(长按复制)
13504113081
13504113081
U
C
S
2
0
2
L
D
1
N
R
UCS:带紧定螺钉,宽外圈,圆柱外圈
2:系列:轻型承重
02:内径:15 mm
L:设计变更,更薄的内圈,内径变大
D1:带油槽油孔,可再润滑
NR:带止动环和止动槽
UCS:
带紧定螺钉,宽外圈,圆柱外圈
2:
系列:轻型承重
02:
内径:15 mm
L:
设计变更,更薄的内圈,内径变大
D1:
带油槽油孔,可再润滑
NR:
带止动环和止动槽
| 类型 | 外球面轴承 |
| 内孔型式 | 圆柱孔 |
| 轴承类型 | 滚珠轴承 |
| 材质 | 淬透钢 |
| 滚珠材质 | 钢 |
| 密封型式 | 接触式 |
| 密封圈材质 | 丁腈橡胶 |
| 性能 | 标准 |
| 锁紧装置 | 2 -120° 紧定螺钉 |
| 润滑方式 | 可再润滑 |
| 径向游隙 | CN |
| 基本额定静载荷 | 1500 lbf 6650 N 6.65 kN |
| 基本额定动载荷 | 2890 lbf 12800 N 12.80 kN |
| 附件 | 双面密封 |
| 重量 | 0.441 lb 0.200 kg |
| 应用温度范围 | -40 to 250 ºF -40 to 120 ºC |
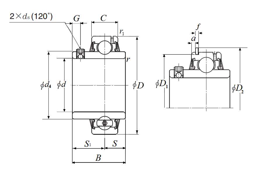
| 带紧定螺钉的外球面轴承,宽外圈 - 圆柱内径,带止动环 - 尺寸 | |
| d | 0.5906 in 15.000 mm |
| D | 1.8504 in 47.000 mm |
| C | 0.6693 in 17.000 mm |
| B | 1.2205 in 31.000 mm |
| r | 0.0236 in 0.600 mm |
| r1 | 0.0236 in 0.600 mm |
| ds | M5x0.8 |
| G | 0.1772 in 4.500 mm |
| d4 | 1.1654 in 29.600 mm |
| S1 | 0.7205 in 18.300 mm |
| S | 0.5000 in 12.700 mm |
| a | 0.1220 in 3.100 mm |
| f | 0.0441 in 1.120 mm |
| D1 | 1.7559 in 44.600 mm |
| D2 | 2.0748 in 52.700 mm |