您好!欢迎访问「常州高可智能科技有限公司」网站!

NTN UCPX-1.11/16轴承尺寸、参数、图纸、互换、价格

NTN UCPX-1.11/16轴承

更新时间:2026.04.26

轴承型号:UCPX-1.11/16,超一流轴承座带紧定螺钉,高大基座,UCPX型

技术研究
技术研究 如您是工程师,需要对轴承进行研究、计算、选型等,都可以直接联系我,微信:caloc-cn。
产品咨询
产品咨询 如您对产品有任何需求,包括询价、采买以及替换等,都可以直接联系我,联系方式如下。
在线咨询咨询热线
138 6103 7112
电话咨询电话/微信(长按复制)
13504113081

NTN UCPX-1.11/16轴承技术规格

类型 轴承座
轴承类型 滚珠轴承
锁紧装置 紧定螺钉
密封型式 接触式
密封圈材质 丁腈橡胶
轴承型号 A-UCX09-111D1
轴承座型号 P210D1V50
壳体材质 铸铁
壳体铸造型式 一体成型
端盖类型 开式
表面涂层 黑色氧化物
性能 轻型
基本额定动载荷 7850 lbf
35000 N
35.00 kN
基本额定静载荷 5200 lbf
23200 N
23.20 kN
最大拧紧力矩 69磅·英寸
极限转速 3050转/分钟
应用温度范围 -40 to 250 ºF
-40 to 120 ºC
润滑方式 可再润滑

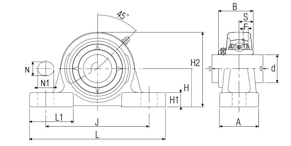
NTN UCPX-1.11/16轴承尺寸规格

超一流轴承座带紧定螺钉,高大基座,UCPX型 - 尺寸
d 1-11/16 in
42.863 mm
J 6-7/32 in
158.0 mm
L 8.1250 in
206.4 mm
A 2.3750 in
60.3 mm
H 2-1/4 in
57.2 mm
H1 0.8125 in
20.6 mm
H2 4.5000 in
114.3 mm
N 0.6875 in
17.5 mm
N1 0.9375 in
23.8 mm
L1 2.5625 in
65.1 mm
B 2.0315 in
51.600 mm
S 0.7480 in
19.000 mm
F 0.2323 in
5.900 mm

NTN UCPX-1.11/16轴承相关配件/适用型号

A-UCX09-111D1 详细尺寸,d:42.863mm,dD:90mm,c:24mm,b:51.6mm,r:1.5mm
NTN UCPX-1.11/16轴承图纸
尺寸图
轴承推荐