您好!欢迎访问「常州高可智能科技有限公司」网站!

NTN UCHB209-110D1轴承尺寸、参数、图纸、互换、价格

NTN UCHB209-110D1轴承

更新时间:2026.04.26

轴承型号:UCHB209-110D1,悬挂式轴承座,铸造外壳,带紧定螺钉,UCHB型

技术研究
技术研究 如您是工程师,需要对轴承进行研究、计算、选型等,都可以直接联系我,微信:caloc-cn。
产品咨询
产品咨询 如您对产品有任何需求,包括询价、采买以及替换等,都可以直接联系我,联系方式如下。
在线咨询咨询热线
138 6103 7112
电话咨询电话/微信(长按复制)
13504113081

NTN UCHB209-110D1轴承技术规格

类型 悬挂式轴承座
轴承类型 滚珠轴承
锁紧装置 紧定螺钉
密封型式 接触式
密封圈材质 丁腈橡胶
轴承型号 UC209-110D1
轴承座型号 HB209D1
壳体材质 铸铁
性能 轻型
基本额定动载荷 7300 lbf
32500 N
32.50 kN
基本额定静载荷 4600 lbf
20400 N
20.40 kN
极限转速 3500转/分钟
重量 4.000 lb
1.800 kg
应用温度范围 -40 to 250 ºF
-40 to 120 ºC
润滑方式 可再润滑

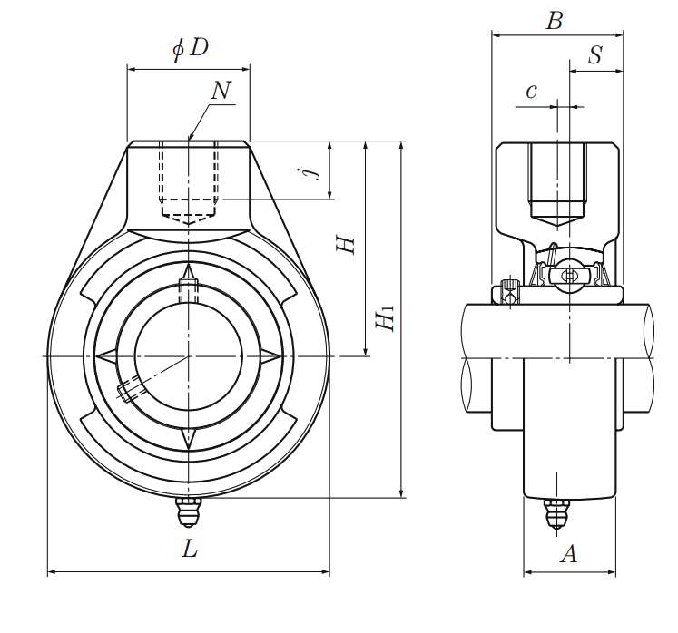
NTN UCHB209-110D1轴承尺寸规格

悬挂式轴承座,铸造外壳,带紧定螺钉,UCHB型 - 尺寸
d 1.6250 in
41.275 mm
L 4.2500 in
108.0 mm
H 3.2344 in
82.0 mm
H1 5.3437 in
136.0 mm
A 1.3750 in
35.0 mm
D 1.8750 in
48.0 mm
N Rp 1
j 0.8125 in
21.0 mm
c 0.1875 in
5.0 mm
B 1.9370 in
49.200 mm
S 0.7480 in
19.000 mm
F 0.1929 in
4.900 mm

NTN UCHB209-110D1轴承相关配件/适用型号

UC209-110D1 详细尺寸,d:41.275mm,dD:85mm,c:24mm,b:49.2mm,r:1.5mm
NTN UCHB209-110D1轴承图纸
尺寸图
轴承推荐