您好!欢迎访问「常州高可智能科技有限公司」网站!

NTN UCFLU-2.1/8轴承尺寸、参数、图纸、互换、价格

NTN UCFLU-2.1/8轴承

更新时间:2026.04.26

轴承型号:UCFLU-2.1/8,超一流双螺栓法兰式轴承座,带紧定螺钉,UCFLU型

技术研究
技术研究 如您是工程师,需要对轴承进行研究、计算、选型等,都可以直接联系我,微信:caloc-cn。
产品咨询
产品咨询 如您对产品有任何需求,包括询价、采买以及替换等,都可以直接联系我,联系方式如下。
在线咨询咨询热线
138 6103 7112
电话咨询电话/微信(长按复制)
13504113081

NTN UCFLU-2.1/8轴承技术规格

类型 双螺栓菱形法兰式轴承座单元
轴承类型 滚珠轴承
锁紧装置 紧定螺钉
密封型式 接触式
密封圈材质 丁腈橡胶
轴承型号 A-UC211-202D1
轴承座型号 FLU211D1V50
壳体材质 铸铁
壳体铸造型式 一体成型
端盖类型 开式
表面涂层 黑色氧化物
性能 轻型
基本额定动载荷 9800 lbf
43500 N
43.50 kN
基本额定静载荷 6550 lbf
29200 N
29.20 kN
最大拧紧力矩 86磅·英寸
极限转速 2900转/分钟
重量 7.915 lb
3.590 kg
应用温度范围 -40 to 250 ºF
-40 to 120 ºC
润滑方式 可再润滑

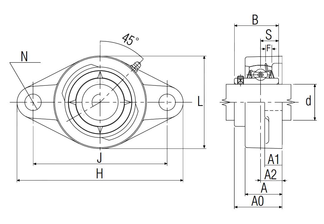
NTN UCFLU-2.1/8轴承尺寸规格

超一流双螺栓法兰式轴承座,带紧定螺钉,UCFLU型 - 尺寸
d 2-1/8 in
53.975 mm
H 8.5313 in
216.7 mm
L 5.2813 in
134.1 mm
J 7.2500 in
184.2 mm
A 1.9375 in
49.2 mm
A0 2.5313 in
64.300 mm
A1 0.8125 in
20.6 mm
A2 1.2188 in
31.0 mm
N 0.6719 in
17.1 mm
B 2.1890 in
55.600 mm
S 0.8740 in
22.200 mm
F 0.2362 in
6.000 mm

NTN UCFLU-2.1/8轴承相关配件/适用型号

A-UC211-202D1 详细尺寸,d:53.975mm,dD:100mm,c:25mm,b:55.6mm,r:2mm
NTN UCFLU-2.1/8轴承图纸
尺寸图
轴承推荐