您好!欢迎访问「常州高可智能科技有限公司」网站!

NTN UCFH207-105D1轴承尺寸、参数、图纸、互换、价格

NTN UCFH207-105D1轴承

更新时间:2026.04.26

轴承型号:UCFH207-105D1,三螺栓法兰式轴承座单元,铸造外壳,带紧定螺钉,UCFH型

技术研究
技术研究 如您是工程师,需要对轴承进行研究、计算、选型等,都可以直接联系我,微信:caloc-cn。
产品咨询
产品咨询 如您对产品有任何需求,包括询价、采买以及替换等,都可以直接联系我,联系方式如下。
在线咨询咨询热线
138 6103 7112
电话咨询电话/微信(长按复制)
13504113081

NTN UCFH207-105D1轴承技术规格

类型 三螺栓法兰式轴承座
轴承类型 滚珠轴承
锁紧装置 紧定螺钉
密封型式 接触式
密封圈材质 丁腈橡胶
轴承型号 UC207-105D1
轴承座型号 FH207D1
壳体铸造型式 一体成型
端盖类型 开式
性能 轻型
基本额定动载荷 5800 lbf
25700 N
25.70 kN
基本额定静载荷 3450 lbf
15300 N
15.30 kN
极限转速 4200转/分钟
重量 2.900 lb
1.300 kg
应用温度范围 -40 to 250 ºF
-40 to 120 ºC
润滑方式 可再润滑

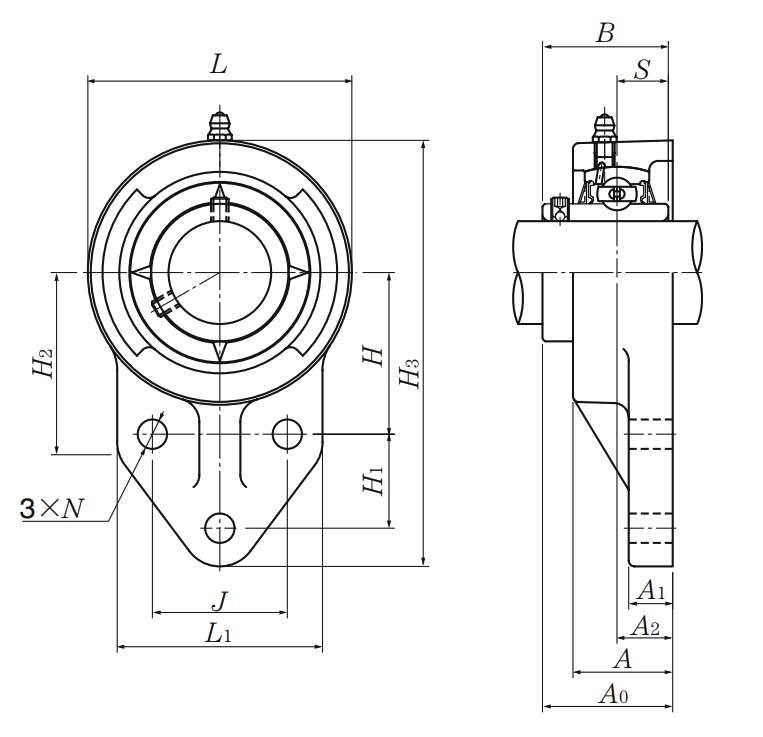
NTN UCFH207-105D1轴承尺寸规格

三螺栓法兰式轴承座单元,铸造外壳,带紧定螺钉,UCFH型 - 尺寸
d 1.3125 in
33.338 mm
L 3.5313 in
90.0 mm
J 1.8125 in
46.0 mm
A 1.3438 in
34.0 mm
A0 1.7500 in
44.400 mm
A1 0.5938 in
15.0 mm
A2 0.7500 in
19.0 mm
H 2.1719 in
55.0 mm
H1 1.2656 in
32.0 mm
H2 2.4375 in
62.0 mm
H3 5.6563 in
144.0 mm
L1 2.7500 in
70.0 mm
N 0.3906 in
10.0 mm
B 1.6890 in
42.900 mm
S 0.6890 in
17.500 mm
F 0.1811 in
4.600 mm

NTN UCFH207-105D1轴承相关配件/适用型号

UC207-105D1 详细尺寸,d:33.338mm,dD:72mm,c:20mm,b:42.9mm,r:1.5mm
NTN UCFH207-105D1轴承图纸
尺寸图
轴承推荐