您好!欢迎访问「常州高可智能科技有限公司」网站!

NTN UCFCX05-014D1轴承尺寸、参数、图纸、互换、价格

NTN UCFCX05-014D1轴承

更新时间:2026.04.26

轴承型号:UCFCX05-014D1,四螺栓圆形法兰式轴承座,铸造外壳,带紧定螺钉,UCFC型

技术研究
技术研究 如您是工程师,需要对轴承进行研究、计算、选型等,都可以直接联系我,微信:caloc-cn。
产品咨询
产品咨询 如您对产品有任何需求,包括询价、采买以及替换等,都可以直接联系我,联系方式如下。
在线咨询咨询热线
138 6103 7112
电话咨询电话/微信(长按复制)
13504113081

NTN UCFCX05-014D1轴承技术规格

类型 四螺栓圆形法兰式轴承座
轴承类型 滚珠轴承
锁紧装置 紧定螺钉
密封型式 接触式
密封圈材质 丁腈橡胶
轴承型号 UCX05-014D1
轴承座型号 FCX05D1
壳体材质 铸铁
壳体铸造型式 一体成型
端盖类型 开式
性能 中型
基本额定动载荷 4400 lbf
19500 N
19.50 kN
基本额定静载荷 2540 lbf
11300 N
11.30 kN
重量 2.580 lb
1.170 kg
应用温度范围 -40 to 250 ºF
-40 to 120 ºC
润滑方式 可再润滑

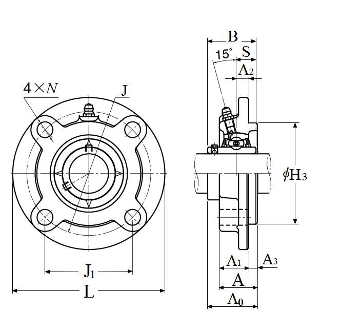
NTN UCFCX05-014D1轴承尺寸规格

四螺栓圆形法兰式轴承座,铸造外壳,带紧定螺钉,UCFC型 - 尺寸
d 0.8750 in
22.225 mm
L 4.3750 in
111.0 mm
J 3.6250 in
92.0 mm
J1 2.5625 in
65.0 mm
A 1.1875 in
30.0 mm
A0 1.5000 in
38.200 mm
A1 0.9375 in
24.0 mm
A2 0.3906 in
10.0 mm
A3 0.2362 in
6.0 mm
H3 2.9921 in
76.0 mm
N 0.3750 in
9.5 mm
B 1.5000 in
38.100 mm
S 0.6260 in
15.900 mm
F 0.1811 in
4.600 mm

NTN UCFCX05-014D1轴承相关配件/适用型号

UCX05-014D1 详细尺寸,d:22.225mm,dD:62mm,c:19mm,b:38.1mm,r:1mm
NTN UCFCX05-014D1轴承图纸
尺寸图
轴承推荐