您好!欢迎访问「常州高可智能科技有限公司」网站!

NTN SUCPA209-28轴承尺寸、参数、图纸、互换、价格

NTN SUCPA209-28轴承

更新时间:2026.04.26

轴承型号:SUCPA209-28,螺纹底座轴承座,不锈钢外壳,带紧定螺钉,SUCPA型

技术研究
技术研究 如您是工程师,需要对轴承进行研究、计算、选型等,都可以直接联系我,微信:caloc-cn。
产品咨询
产品咨询 如您对产品有任何需求,包括询价、采买以及替换等,都可以直接联系我,联系方式如下。
在线咨询咨询热线
138 6103 7112
电话咨询电话/微信(长按复制)
13504113081

NTN SUCPA209-28轴承技术规格

类型 轴承座
轴承类型 滚珠轴承
锁紧装置 紧定螺钉
密封型式 接触式
密封圈材质 硅胶
轴承型号 SUC209-28
轴承座型号 SPA209N
嵌入材质 不锈钢
壳体材质 不锈钢
性能 正常
端盖类型 开式
基本额定动载荷 5780 lbf
25700 N
25.70 kN
基本额定静载荷 4680 lbf
20800 N
20.80 kN
极限转速 3100转/分钟
重量 5.420 lb
2.460 kg
应用温度范围 -4 to 250 ºF
-20 to 120 ºC
润滑方式 可再润滑

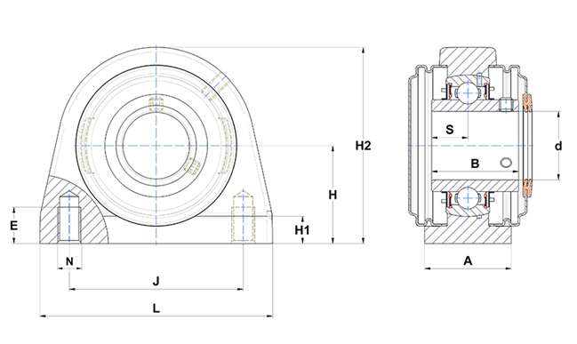
NTN SUCPA209-28轴承尺寸规格

螺纹底座轴承座,不锈钢外壳,带紧定螺钉,SUCPA型 - 尺寸
d 1.7500 in
44.450 mm
J 3.7500 in
95.3 mm
L 5.0000 in
127.0 mm
A 2.0100 in
51.0 mm
H 2.1300 in
54.0 mm
H1 0.5100 in
13.0 mm
H2 4.2500 in
108.0 mm
N M12
E 0.7480 in
19.0 mm
B 1.9370 in
49.200 mm
S 0.7480 in
19.000 mm

NTN SUCPA209-28轴承相关配件/适用型号

SUC209-28 详细尺寸,d:44.45mm,dD:85mm,c:22mm,b:49.2mm,r:1mm
NTN SUCPA209-28轴承图纸
尺寸图
轴承推荐