您好!欢迎访问「常州高可智能科技有限公司」网站!

NTN SUCFB206轴承尺寸、参数、图纸、互换、价格

NTN SUCFB206轴承

更新时间:2026.04.26

轴承型号:SUCFB206,三螺栓法兰式轴承座单元,不锈钢外壳,带紧定螺钉,SUCFB型

技术研究
技术研究 如您是工程师,需要对轴承进行研究、计算、选型等,都可以直接联系我,微信:caloc-cn。
产品咨询
产品咨询 如您对产品有任何需求,包括询价、采买以及替换等,都可以直接联系我,联系方式如下。
在线咨询咨询热线
138 6103 7112
电话咨询电话/微信(长按复制)
13504113081

NTN SUCFB206轴承技术规格

类型 三螺栓法兰式轴承座
轴承类型 滚珠轴承
锁紧装置 紧定螺钉
密封型式 接触式
密封圈材质 硅胶
轴承型号 SUC206
轴承座型号 SFB206N
嵌入材质 不锈钢
壳体材质 不锈钢
壳体铸造型式 一体成型
端盖类型 开式
性能 正常
基本额定动载荷 3440 lbf
15300 N
15.30 kN
基本额定静载荷 2590 lbf
11500 N
11.50 kN
极限转速 4300转/分钟
重量 2.030 lb
0.920 kg
应用温度范围 -4 to 250 ºF
-20 to 120 ºC
润滑方式 可再润滑

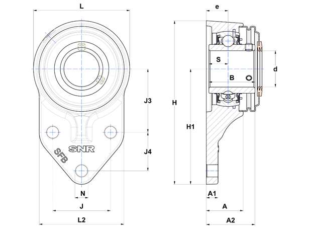
NTN SUCFB206轴承尺寸规格

三螺栓法兰式轴承座单元,不锈钢外壳,带紧定螺钉,SUCFB型 - 尺寸
d 1.1811 in
30.000 mm
L 3.1300 in
79.5 mm
J 1.8800 in
47.8 mm
A 1.2000 in
30.5 mm
A1 0.3800 in
9.7 mm
A2 1.5800 in
40.200 mm
e 0.7100 in
18.0 mm
J3 2.0600 in
52.3 mm
J4 1.2500 in
31.8 mm
H 5.3100 in
135.0 mm
H1 3.7500 in
95.3 mm
L2 2.7600 in
70.0 mm
N 0.3900 in
10.0 mm
B 1.5000 in
38.100 mm
S 0.6260 in
15.900 mm

NTN SUCFB206轴承相关配件/适用型号

SUC206 详细尺寸,d:30mm,dD:62mm,c:19mm,b:38.1mm,r:0.5mm
NTN SUCFB206轴承图纸
尺寸图
轴承推荐