您好!欢迎访问「常州高可智能科技有限公司」网站!

NTN SM-UCP205D1轴承尺寸、参数、图纸、互换、价格

NTN SM-UCP205D1轴承

更新时间:2026.04.26

轴承型号:SM-UCP205D1,轴承座,带紧定螺钉,压制钢防尘盖,封闭端盖,UCP型

技术研究
技术研究 如您是工程师,需要对轴承进行研究、计算、选型等,都可以直接联系我,微信:caloc-cn。
产品咨询
产品咨询 如您对产品有任何需求,包括询价、采买以及替换等,都可以直接联系我,联系方式如下。
在线咨询咨询热线
138 6103 7112
电话咨询电话/微信(长按复制)
13504113081

NTN SM-UCP205D1轴承技术规格

类型 轴承座
轴承类型 滚珠轴承
锁紧装置 紧定螺钉
密封型式 接触式
密封圈材质 丁腈橡胶
轴承型号 UC205D1
轴承座型号 P205D1
壳体材质 铸铁
壳体铸造型式 一体成型
端盖类型 一端开式,一端封闭式
性能 轻型
基本额定动载荷 3150 lbf
14000 N
14.00 kN
基本额定静载荷 1760 lbf
7850 N
7.85 kN
极限转速 5900转/分钟
重量 1.980 lb
0.900 kg
应用温度范围 -40 to 250 ºF
-40 to 120 ºC
润滑方式 可再润滑

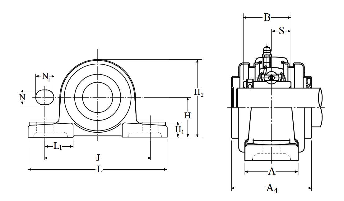
NTN SM-UCP205D1轴承尺寸规格

d 0.9843 in
25.000 mm
J 4.1250 in
105.0 mm
L 5.5000 in
140.0 mm
A 1.5000 in
38.0 mm
A4 2.2500 in
57.0 mm
H 1.4375 in
36.5 mm
H1 0.5937 in
15.0 mm
H2 2.7812 in
71.0 mm
N 0.5000 in
13.0 mm
N1 0.6250 in
16.0 mm
B 1.3425 in
34.100 mm
S 0.5630 in
14.300 mm
F 0.1772 in
4.500 mm

NTN SM-UCP205D1轴承相关配件/适用型号

UC205D1 详细尺寸,d:25mm,dD:52mm,c:17mm,b:34.1mm,r:1mm

NTN SM-UCP205D1轴承在售型号

在售型号库存数量市场价
SM-UCP205D1352072.40
注:可直接联系销售人员了解详情。
轴承推荐