您好!欢迎访问「常州高可智能科技有限公司」网站!

NTN NUKRT30X轴承尺寸、参数、图纸、互换、价格

NTN NUKRT30X轴承

更新时间:2026.04.26

轴承型号:NUKRT30X,凸轮从动螺柱式滚轮轴承 - 圆柱内径,NUKRT型

技术研究
技术研究 如您是工程师,需要对轴承进行研究、计算、选型等,都可以直接联系我,微信:caloc-cn。
产品咨询
产品咨询 如您对产品有任何需求,包括询价、采买以及替换等,都可以直接联系我,联系方式如下。
在线咨询咨询热线
138 6103 7112
电话咨询电话/微信(长按复制)
13504113081

NTN NUKRT30X轴承技术规格

类型 凸轮从动轴承
材质 淬透钢
螺纹类型 公制
保持架材质
极限转速-脂润滑 6900转/分钟
滚子型式 圆柱型
螺柱类型 公制
轴承类型 滚针轴承
外圈类型 圆柱型
附件 防尘盖
驱动装置型式 插入式
结构 单列
扭矩 20.0 N
·m
基本额定静载荷 3050 lbf
13500 N
基本额定动载荷 2990 lbf
13300 N
轨道额定载荷 1730 lbf
7700 N
重量 0.194 lb
0.088 kg
应用温度范围 -40 to 250 ºF
-40 to 120 ºC

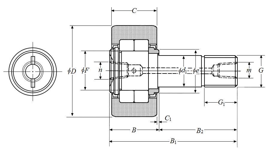
NTN NUKRT30X轴承尺寸规格

凸轮从动螺柱式滚轮轴承 - 圆柱内径,NUKRT型 - 尺寸
G M12x1.5
B1 1.5748 in
40.000 mm
B2 0.9843 in
25.000 mm
D 1.1811 in
30.000 mm
D公差 0/-0.0020 in
0/-0.050 mm
B 0.5906 in
15.000 mm
C 0.5512 in
14.000 mm
d1 0.4724 in
12.000 mm
d1公差 0/-0.0007 in
0/-0.018 mm
G1 0.5118 in
13.000 mm
e 0.5906 in
15.000 mm
F 0.5709 in
14.500 mm
C1 0.0236 in
0.600 mm
n M6x1.5
m M6x1.5
注油嘴尺寸 A-M6F
NTN NUKRT30X轴承图纸
尺寸图
轴承推荐