NTN NUKR35H轴承尺寸、参数、图纸、互换、价格
NTN NUKR35H轴承
更新时间:2026.04.26
轴承型号:NUKR35H,凸轮从动螺柱式滚轮轴承 - 球面外圈,NUKR..H型,可替换的SKF轴承型号为:SKF NUKR35A轴承
技术研究
如您是工程师,需要对轴承进行研究、计算、选型等,都可以直接联系我,微信:caloc-cn。
产品咨询
如您对产品有任何需求,包括询价、采买以及替换等,都可以直接联系我,联系方式如下。
在线咨询咨询热线
138 6103 7112
138 6103 7112
电话咨询电话/微信(长按复制)
13504113081
13504113081
| 类型 | 凸轮从动轴承 |
| 材质 | 淬透钢 |
| 螺纹类型 | 公制 |
| 保持架材质 | 无 |
| 极限转速-脂润滑 | 5500转/分钟 |
| 滚子型式 | 凸度滚子 |
| 螺柱类型 | 公制 |
| 轴承类型 | 滚针轴承 |
| 外圈类型 | 球面 |
| 附件 | 防尘盖 |
| 驱动装置型式 | 六角头 |
| 结构 | 单列 |
| 扭矩 | 52.0 N ·m |
| 基本额定静载荷 | 5800 lbf 25700 N |
| 基本额定动载荷 | 5000 lbf 22300 N |
| 轨道额定载荷 | 720 lbf 3200 N |
| 重量 | 0.364 lb 0.165 kg |
| 应用温度范围 | -40 to 250 ºF -40 to 120 ºC |
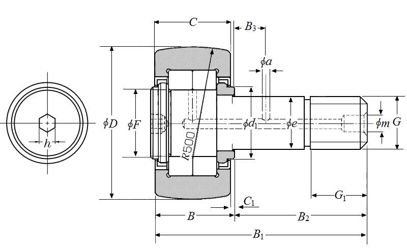
| 凸轮从动螺柱式滚轮轴承 - 球面外圈,NUKR..H型 - 尺寸 | |
| G | M16x1.5 |
| B1 | 2.0472 in 52.000 mm |
| B2 | 1.2795 in 32.500 mm |
| D | 1.3780 in 35.000 mm |
| D公差 | 0/-0.0020 in 0/-0.050 mm |
| B | 0.7677 in 19.500 mm |
| C | 0.7087 in 18.000 mm |
| d1 | 0.6299 in 16.000 mm |
| d1公差 | 0/-0.0007 in 0/-0.018 mm |
| G1 | 0.6693 in 17.000 mm |
| e | 0.8268 in 21.000 mm |
| B3 | 0.3150 in 8.000 mm |
| a | 0.1181 in 3.000 mm |
| F | 0.7480 in 19.000 mm |
| C1 | 0.0315 in 0.800 mm |
| h | 0.2362 in 6.000 mm |
| m | 0.2362 in 6.000 mm |
| 注油嘴尺寸 | NIP-B6 |