您好!欢迎访问「常州高可智能科技有限公司」网站!

NTN NPC012RP轴承尺寸、参数、图纸、互换、价格

NTN NPC012RP轴承

更新时间:2026.04.26

轴承型号:NPC012RP,外球面轴承带Wide内圈 - 圆柱内径,其基础型号为012RP,前缀列表:【NPC:特殊外球面轴承,圆柱外圈】

技术研究
技术研究 如您是工程师,需要对轴承进行研究、计算、选型等,都可以直接联系我,微信:caloc-cn。
产品咨询
产品咨询 如您对产品有任何需求,包括询价、采买以及替换等,都可以直接联系我,联系方式如下。
在线咨询咨询热线
138 6103 7112
电话咨询电话/微信(长按复制)
13504113081

NTN NPC012RP轴承代号说明

N
P
C
0
1
2
R
P
NPC:特殊外球面轴承,圆柱外圈
012RP:型号:012RP
NPC:
特殊外球面轴承,圆柱外圈
012RP:
型号:012RP

NTN NPC012RP轴承技术规格

类型 外球面轴承
内孔型式 圆柱孔
轴承类型 滚珠轴承
材质 淬透钢
滚珠材质
密封型式 接触式
密封圈材质 丁腈橡胶
性能 标准
锁紧装置
润滑方式 不可再润滑
径向游隙 C3
基本额定静载荷 1500 lbf
6650 N
6.65 kN
基本额定动载荷 2880 lbf
12800 N
12.80 kN
附件 双面密封
重量 0.300 lb
0.136 kg
应用温度范围 -40 to 250 ºF
-40 to 120 ºC

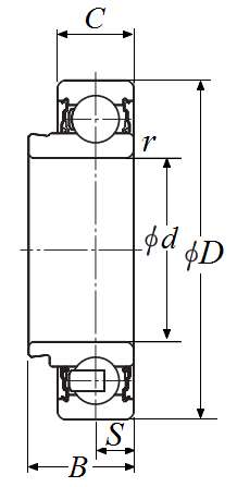
NTN NPC012RP轴承尺寸规格

外球面轴承带Wide内圈 - 圆柱内径 - 尺寸
d 0.7500 in
19.050 mm
D 1.8504 in
47.000 mm
C 0.5906 in
15.000 mm
B 0.8465 in
21.500 mm
B1 1.2205 in
31.000 mm
r 0.0394 in
1.000 mm
r1 0.0236 in
0.600 mm
NTN NPC012RP轴承图纸
尺寸图
轴承推荐