您好!欢迎访问「常州高可智能科技有限公司」网站!

NTN NA4948轴承尺寸、参数、图纸、互换、价格

NTN NA4948轴承

更新时间:2026.04.26

轴承型号:NA4948,机加工滚针轴承带内圈 - NA48,NA49系列

技术研究
技术研究 如您是工程师,需要对轴承进行研究、计算、选型等,都可以直接联系我,微信:caloc-cn。
产品咨询
产品咨询 如您对产品有任何需求,包括询价、采买以及替换等,都可以直接联系我,联系方式如下。
在线咨询咨询热线
138 6103 7112
电话咨询电话/微信(长按复制)
13504113081

NTN NA4948轴承技术规格

类型 滚针轴承
内孔型式 圆柱孔
材质 高碳铬钢
保持架材质
极限转速-油润滑 1500转/分钟
极限转速-脂润滑 1000转/分钟
精度 ISO Class 0
结构 单列
附件 开式
轴承设计型式 带内圈
注油孔 带注油孔
径向游隙 CN
基本额定静载荷 305000 lbf
1350000 N
1350.00 kN
基本额定动载荷 121000 lbf
540000 N
540.00 kN
重量 32.408 lb
14.700 kg
应用温度范围 -40 to 250 ºF
-40 to 120 ºC

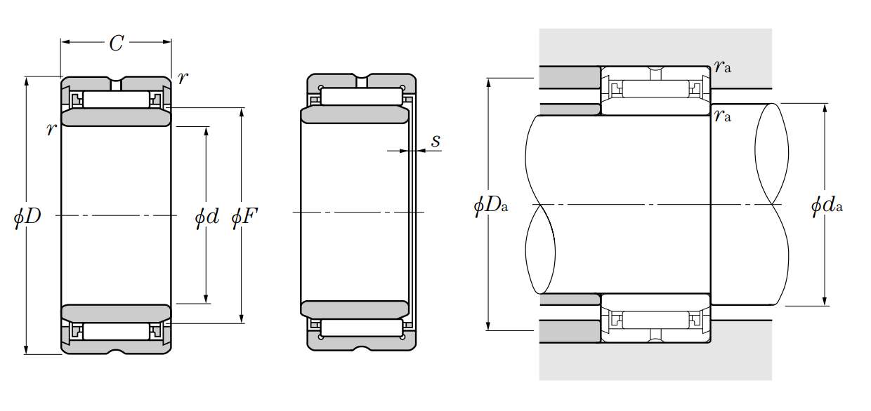
NTN NA4948轴承尺寸规格

机加工滚针轴承带内圈 - NA48,NA49系列 - 尺寸
d 9.4488 in
240.000 mm
D 12.5984 in
320.000 mm
F 10.4331 in
265.000 mm
B 3.1496 in
80.000 mm
r 0.0827 in
2.100 mm
s 0.0787 in
2.000 mm
da min 9.8819 in
251.000 mm
Da max 12.1654 in
309.000 mm
ras max 0.0787 in
2.000 mm
NTN NA4948轴承图纸
尺寸图
轴承推荐