您好!欢迎访问「常州高可智能科技有限公司」网站!

NTN MS1307轴承尺寸、参数、图纸、互换、价格

NTN MS1307轴承

更新时间:2026.04.26

轴承型号:MS1307,内圈带一个加强筋,不带滚子,其基础型号为1307,前缀列表:【M:NTN BOWER产品,标准公制尺寸系列】【S:带一个短挡边的内圈】

技术研究
技术研究 如您是工程师,需要对轴承进行研究、计算、选型等,都可以直接联系我,微信:caloc-cn。
产品咨询
产品咨询 如您对产品有任何需求,包括询价、采买以及替换等,都可以直接联系我,联系方式如下。
在线咨询咨询热线
138 6103 7112
电话咨询电话/微信(长按复制)
13504113081

NTN MS1307轴承代号说明

M
S
1
3
0
7
M:NTN BOWER产品,标准公制尺寸系列
S:带一个短挡边的内圈
1:宽度系列:01系列
3:尺寸系列:03系列
07:内径:35 mm
M:
NTN BOWER产品,标准公制尺寸系列
S:
带一个短挡边的内圈
1:
宽度系列:01系列
3:
尺寸系列:03系列
07:
内径:35 mm

NTN MS1307轴承技术规格

类型 内圈
内孔型式 圆柱孔
材质 硬化合金钢
精密研磨
公差 ISO Class 0(RBEC 1)
重量 0.238 lb
0.108 kg

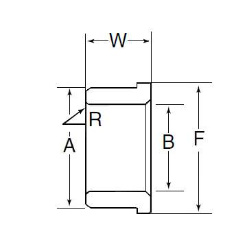
NTN MS1307轴承尺寸规格

内圈带一个加强筋,不带滚子 - 尺寸
B 1.3780 in
35.000 mm
A 1.8441 in
46.840 mm
W 0.6799 in
17.269 mm
F 1.9949 in
50.670 mm
R 0.0598 in
1.520 mm
NTN MS1307轴承图纸
尺寸图
轴承推荐