NTN MR1208TX轴承尺寸、参数、图纸、互换、价格
NTN MR1208TX轴承
更新时间:2026.04.26
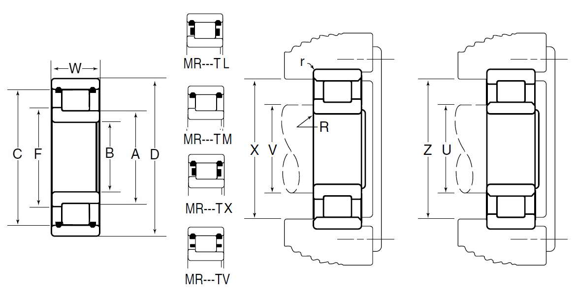
轴承型号:MR1208TX,圆柱滚子轴承 -可分离型内圈带一个加强筋,外圈带两个挡圈,其基础型号为1208,前缀列表:【MR:M:NTN BOWER产品,标准公制尺寸系列,R:内圈单挡边】,后缀列表:【T:外圈内径中带双挡边】【X:X-Bar复合钢】
技术研究
如您是工程师,需要对轴承进行研究、计算、选型等,都可以直接联系我,微信:caloc-cn。
产品咨询
如您对产品有任何需求,包括询价、采买以及替换等,都可以直接联系我,联系方式如下。
在线咨询咨询热线
138 6103 7112
138 6103 7112
电话咨询电话/微信(长按复制)
13504113081
13504113081
M
R
1
2
0
8
T
X
MR:M:NTN BOWER产品,标准公制尺寸系列,R:内圈单挡边
1:宽度系列:01系列
2:尺寸系列:02系列
08:内径:40 mm
T:外圈内径中带双挡边
X:X-Bar复合钢
MR:
M:NTN BOWER产品,标准公制尺寸系列,R:内圈单挡边
1:
宽度系列:01系列
2:
尺寸系列:02系列
08:
内径:40 mm
T:
外圈内径中带双挡边
X:
X-Bar复合钢
| 类型 | 圆柱滚子轴承 |
| 内孔型式 | 圆柱孔 |
| 材质 | 硬化合金钢 |
| 保持架材质 | X-Bar复合钢 |
| 结构 | 单列 |
| 公差 | ISO Class 0(RBEC 1) |
| 注油孔 | 不带注油孔 |
| 径向游隙 | CN |
| 基本额定静载荷 | 13500 lbf 60000 N 60.00 kN |
| 基本额定动载荷 | 12500 lbf 55500 N 55.50 kN |
| 附件 | 开式 |
| 应用温度范围 | -40 to 250 ºF -40 to 120 ºC |
| 圆柱滚子轴承 -可分离型内圈带一个加强筋,外圈带两个挡圈 - 尺寸 | |
| B | 1.5748 in 40.000 mm |
| D | 3.1496 in 80.000 mm |
| W | 0.7087 in 18.000 mm |
| A | 1.9661 in 49.940 mm |
| C | 2.7409 in 69.620 mm |
| F | 2.1039 in 53.440 mm |
| R | 0.0598 in 1.520 mm |
| U(普通内外圈) | 1.8583 in 47.200 mm |
| V(加强筋内外圈) | 1.9606 in 49.800 mm |
| X(普通内外圈) | 2.8701 in 72.900 mm |
| Z(加强筋内外圈) | 2.7402 in 69.600 mm |
| r | 0.0402 in 1.020 mm |