您好!欢迎访问「常州高可智能科技有限公司」网站!

NTN MA1318TL轴承尺寸、参数、图纸、互换、价格

NTN MA1318TL轴承

更新时间:2026.04.26

轴承型号:MA1318TL,圆柱滚子轴承 -可分离型,普通内圈,外圈带两个挡圈,其基础型号为1318,前缀列表:【MA:M:NTN BOWER产品,标准公制尺寸系列,A:滑动内圈】,后缀列表:【T:外圈内径中带双挡边】【L:复合钢保持架】

技术研究
技术研究 如您是工程师,需要对轴承进行研究、计算、选型等,都可以直接联系我,微信:caloc-cn。
产品咨询
产品咨询 如您对产品有任何需求,包括询价、采买以及替换等,都可以直接联系我,联系方式如下。
在线咨询咨询热线
138 6103 7112
电话咨询电话/微信(长按复制)
13504113081

NTN MA1318TL轴承代号说明

M
A
1
3
1
8
T
L
MA:M:NTN BOWER产品,标准公制尺寸系列,A:滑动内圈
1:宽度系列:01系列
3:尺寸系列:03系列
18:内径:90 mm
T:外圈内径中带双挡边
L:复合钢保持架
MA:
M:NTN BOWER产品,标准公制尺寸系列,A:滑动内圈
1:
宽度系列:01系列
3:
尺寸系列:03系列
18:
内径:90 mm
T:
外圈内径中带双挡边
L:
复合钢保持架

NTN MA1318TL轴承技术规格

类型 圆柱滚子轴承
内孔型式 圆柱孔
材质 硬化合金钢
保持架材质 复合钢
结构 单列
公差 ISO Class 0(RBEC 1)
注油孔 不带注油孔
径向游隙 CN
基本额定静载荷 80000 lbf
355000 N
355.00 kN
基本额定动载荷 67500 lbf
300000 N
300.00 kN
附件 开式
应用温度范围 -40 to 250 ºF
-40 to 120 ºC

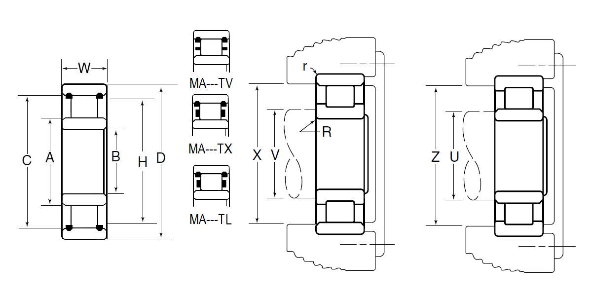
NTN MA1318TL轴承尺寸规格

圆柱滚子轴承 -可分离型,普通内圈,外圈带两个挡圈 - 尺寸
B 3.5433 in
90.000 mm
D 7.4803 in
190.000 mm
W 1.6929 in
43.000 mm
A 4.4890 in
114.020 mm
C 6.5118 in
165.400 mm
R 0.1559 in
3.960 mm
U(普通内外圈) 4.2598 in
108.200 mm
V(加强筋内外圈) 4.4803 in
113.800 mm
X(普通内外圈) 6.7992 in
172.700 mm
Z(加强筋内外圈) 6.5118 in
165.400 mm
r 0.1000 in
2.540 mm
NTN MA1318TL轴承图纸
尺寸图
轴承推荐