您好!欢迎访问「常州高可智能科技有限公司」网站!

NTN KRVT90X轴承尺寸、参数、图纸、互换、价格

NTN KRVT90X轴承

更新时间:2026.04.27

轴承型号:KRVT90X,凸轮从动螺柱式滚轮轴承 - 圆柱内径,KRVT型

技术研究
技术研究 如您是工程师,需要对轴承进行研究、计算、选型等,都可以直接联系我,微信:caloc-cn。
产品咨询
产品咨询 如您对产品有任何需求,包括询价、采买以及替换等,都可以直接联系我,联系方式如下。
在线咨询咨询热线
138 6103 7112
电话咨询电话/微信(长按复制)
13504113081

NTN KRVT90X轴承技术规格

类型 凸轮从动轴承
材质 淬透钢
螺纹类型 公制
保持架材质
极限转速-油润滑 3500转/分钟
极限转速-脂润滑 2600转/分钟
滚子型式 圆柱型
螺柱类型 公制
轴承类型 滚针轴承
外圈类型 圆柱型
附件 开式
驱动装置型式 插入式
结构 单列
扭矩 360.0 N
·m
基本额定静载荷 33000 lbf
147000 N
基本额定动载荷 13000 lbf
58000 N
轨道额定载荷 13300 lbf
59000 N
重量 4.343 lb
1.970 kg
应用温度范围 -40 to 250 ºF
-40 to 120 ºC

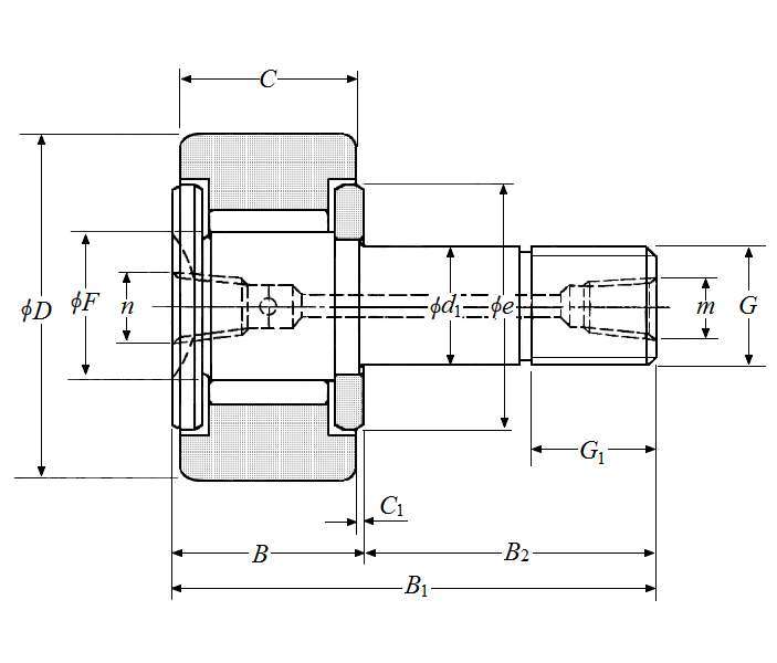
NTN KRVT90X轴承尺寸规格

凸轮从动螺柱式滚轮轴承 - 圆柱内径,KRVT型 - 尺寸
G M30x1.5
B1 2.4803 in
63.000 mm
B2 2.4803 in
63.000 mm
D 3.5433 in
90.000 mm
D公差 0/-0.0020 in
0/-0.050 mm
B 1.4567 in
37.000 mm
C 1.3780 in
35.000 mm
d1 1.1811 in
30.000 mm
d1公差 0/-0.0008 in
0/-0.021 mm
G1 1.2598 in
32.000 mm
e 2.0866 in
53.000 mm
F 1.4961 in
38.000 mm
C1 0.0394 in
1.000 mm
n PT1/8
m PT1/8
注油嘴尺寸 A-PT1/8
NTN KRVT90X轴承图纸
尺寸图
轴承推荐