您好!欢迎访问「常州高可智能科技有限公司」网站!

NTN KRV72轴承尺寸、参数、图纸、互换、价格

NTN KRV72轴承

更新时间:2026.04.26

轴承型号:KRV72,凸轮从动螺柱式滚轮轴承 - 球面外圈,KRV型

技术研究
技术研究 如您是工程师,需要对轴承进行研究、计算、选型等,都可以直接联系我,微信:caloc-cn。
产品咨询
产品咨询 如您对产品有任何需求,包括询价、采买以及替换等,都可以直接联系我,联系方式如下。
在线咨询咨询热线
138 6103 7112
电话咨询电话/微信(长按复制)
13504113081

NTN KRV72轴承技术规格

类型 凸轮从动轴承
材质 淬透钢
螺纹类型 公制
保持架材质
极限转速-油润滑 4500转/分钟
极限转速-脂润滑 3300转/分钟
滚子型式 凸度滚子
螺柱类型 公制
轴承类型 滚针轴承
外圈类型 球面
附件 开式
驱动装置型式 插入式
结构 单列
扭矩 178.0 N
·m
基本额定静载荷 22100 lbf
98500 N
基本额定动载荷 8900 lbf
39500 N
轨道额定载荷 1810 lbf
8050 N
重量 2.315 lb
1.050 kg
应用温度范围 -40 to 250 ºF
-40 to 120 ºC

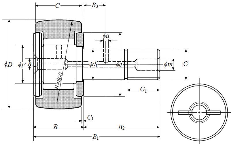
NTN KRV72轴承尺寸规格

凸轮从动螺柱式滚轮轴承 - 球面外圈,KRV型 - 尺寸
G M24x1.5
B1 3.1496 in
80.000 mm
B2 1.9488 in
49.500 mm
D 2.8346 in
72.000 mm
D公差 0/-0.0020 in
0/-0.050 mm
B 1.2008 in
30.500 mm
C 1.1417 in
29.000 mm
d1 0.9449 in
24.000 mm
d1公差 0/-0.0008 in
0/-0.021 mm
G1 0.9843 in
25.000 mm
e 1.7323 in
44.000 mm
B3 0.4331 in
11.000 mm
a 0.1575 in
4.000 mm
F 1.1811 in
30.000 mm
C1 0.0315 in
0.800 mm
n 0.3150 in
8.000 mm
m 0.3150 in
8.000 mm
注油嘴尺寸 NIP-B8

NTN KRV72轴承在售型号

在售型号库存数量市场价
KRV72LL/3AS324308.38
注:可直接联系销售人员了解详情。
NTN KRV72轴承图纸
尺寸图
轴承推荐