NTN KRV62LL轴承尺寸、参数、图纸、互换、价格
NTN KRV62LL轴承
更新时间:2026.04.26
轴承型号:KRV62LL,凸轮从动螺柱式滚轮轴承 - 球面外圈,KRV..LL型,可替换的SKF轴承型号为:SKF KRV62PP轴承
技术研究
如您是工程师,需要对轴承进行研究、计算、选型等,都可以直接联系我,微信:caloc-cn。
产品咨询
如您对产品有任何需求,包括询价、采买以及替换等,都可以直接联系我,联系方式如下。
在线咨询咨询热线
138 6103 7112
138 6103 7112
电话咨询电话/微信(长按复制)
13504113081
13504113081
| 类型 | 凸轮从动轴承 |
| 材质 | 淬透钢 |
| 螺纹类型 | 公制 |
| 保持架材质 | 无 |
| 极限转速-油润滑 | 4500转/分钟 |
| 极限转速-脂润滑 | 3300转/分钟 |
| 滚子型式 | 凸度滚子 |
| 螺柱类型 | 公制 |
| 轴承类型 | 滚针轴承 |
| 外圈类型 | 球面 |
| 附件 | 双面密封 |
| 驱动装置型式 | 插入式 |
| 结构 | 单列 |
| 扭矩 | 178.0 N ·m |
| 基本额定静载荷 | 22100 lbf 98500 N |
| 基本额定动载荷 | 8900 lbf 39500 N |
| 轨道额定载荷 | 1560 lbf 6950 N |
| 重量 | 1.764 lb 0.800 kg |
| 应用温度范围 | -40 to 250 ºF -40 to 120 ºC |
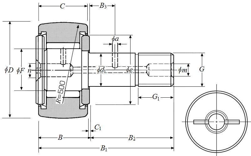
| 凸轮从动螺柱式滚轮轴承 - 球面外圈,KRV..LL型 - 尺寸 | |
| G | M24x1.5 |
| B1 | 3.1496 in 80.000 mm |
| B2 | 1.9488 in 49.500 mm |
| D | 2.4409 in 62.000 mm |
| D公差 | 0/-0.0020 in 0/-0.050 mm |
| B | 1.2008 in 30.500 mm |
| C | 1.1417 in 29.000 mm |
| d1 | 0.9449 in 24.000 mm |
| d1公差 | 0/-0.0008 in 0/-0.021 mm |
| G1 | 0.9843 in 25.000 mm |
| e | 1.7323 in 44.000 mm |
| B3 | 0.4331 in 11.000 mm |
| a | 0.1575 in 4.000 mm |
| F | 1.1811 in 30.000 mm |
| C1 | 0.0315 in 0.800 mm |
| n | 0.3150 in 8.000 mm |
| m | 0.3150 in 8.000 mm |
| 注油嘴尺寸 | NIP-B8 |