您好!欢迎访问「常州高可智能科技有限公司」网站!

NTN KRU47XLL轴承尺寸、参数、图纸、互换、价格

NTN KRU47XLL轴承

更新时间:2026.04.27

轴承型号:KRU47XLL,凸轮从动螺柱式滚轮轴承 - 圆柱内径,KRU..LL型

技术研究
技术研究 如您是工程师,需要对轴承进行研究、计算、选型等,都可以直接联系我,微信:caloc-cn。
产品咨询
产品咨询 如您对产品有任何需求,包括询价、采买以及替换等,都可以直接联系我,联系方式如下。
在线咨询咨询热线
138 6103 7112
电话咨询电话/微信(长按复制)
13504113081

NTN KRU47XLL轴承技术规格

类型 凸轮从动轴承
材质 淬透钢
螺纹类型 公制
保持架材质 压制钢
极限转速-油润滑 8000转/分钟
极限转速-脂润滑 6000转/分钟
滚子型式 圆柱型
螺柱类型 偏心
轴承类型 滚针轴承
外圈类型 圆柱型
附件 双面密封
驱动装置型式 插入式
结构 单列
扭矩 98.0 N
·m
基本额定静载荷 7550 lbf
33500 N
基本额定动载荷 4650 lbf
20700 N
轨道额定载荷 4700 lbf
21000 N
重量 0.851 lb
0.386 kg
应用温度范围 -40 to 250 ºF
-40 to 120 ºC

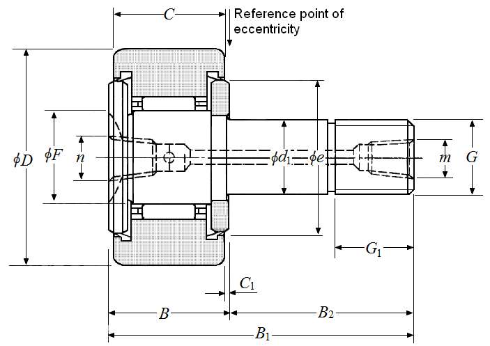
NTN KRU47XLL轴承尺寸规格

凸轮从动螺柱式滚轮轴承 - 圆柱内径,KRU..LL型 - 尺寸
G M20x1.5
B1 2.5984 in
66.000 mm
B2 1.5945 in
40.500 mm
D 1.8504 in
47.000 mm
D公差 0/-0.0020 in
0/-0.050 mm
B 1.0039 in
25.500 mm
C 0.9449 in
24.000 mm
d1 0.7874 in
20.000 mm
d1公差 0/-0.0008 in
0/-0.021 mm
G1 0.8268 in
21.000 mm
e 1.4567 in
37.000 mm
F 0.9843 in
25.000 mm
C1 0.0315 in
0.800 mm
n PT1/8
m PT1/8
注油嘴尺寸 A-PT1/8
NTN KRU47XLL轴承图纸
尺寸图
轴承推荐