您好!欢迎访问「常州高可智能科技有限公司」网站!

NTN KRT16X轴承尺寸、参数、图纸、互换、价格

NTN KRT16X轴承

更新时间:2026.04.26

轴承型号:KRT16X,凸轮从动螺柱式滚轮轴承 - 圆柱内径,KRT型

技术研究
技术研究 如您是工程师,需要对轴承进行研究、计算、选型等,都可以直接联系我,微信:caloc-cn。
产品咨询
产品咨询 如您对产品有任何需求,包括询价、采买以及替换等,都可以直接联系我,联系方式如下。
在线咨询咨询热线
138 6103 7112
电话咨询电话/微信(长按复制)
13504113081

NTN KRT16X轴承技术规格

类型 凸轮从动轴承
材质 淬透钢
螺纹类型 公制
保持架材质 压制钢
极限转速-油润滑 25000转/分钟
极限转速-脂润滑 19000转/分钟
滚子型式 圆柱型
螺柱类型 公制
轴承类型 滚针轴承
外圈类型 圆柱型
附件 开式
驱动装置型式 插入式
结构 单列
扭矩 3.0 N
·m
基本额定静载荷 945 lbf
4200 N
基本额定动载荷 910 lbf
4050 N
轨道额定载荷 765 lbf
3400 N
重量 0.042 lb
0.019 kg
应用温度范围 -40 to 250 ºF
-40 to 120 ºC

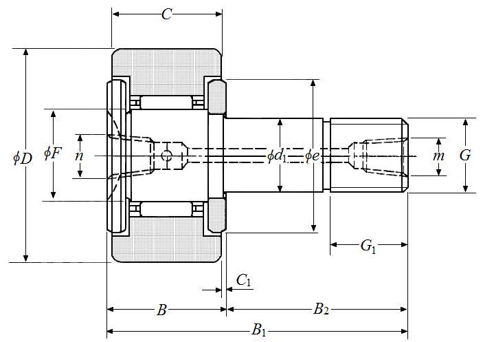
NTN KRT16X轴承尺寸规格

凸轮从动螺柱式滚轮轴承 - 圆柱内径,KRT型 - 尺寸
G M6x1
B1 1.1024 in
28.000 mm
B2 0.6299 in
16.000 mm
D 0.6299 in
16.000 mm
D公差 0/-0.0020 in
0/-0.050 mm
B 0.4724 in
12.000 mm
C 0.4331 in
11.000 mm
d1 0.2362 in
6.000 mm
d1公差 0/-0.0005 in
0/-0.012 mm
G1 0.3150 in
8.000 mm
e 0.4724 in
12.000 mm
F 0.3150 in
8.000 mm
C1 0.0236 in
0.600 mm
n M4x0.7
m M4x0.7
注油嘴尺寸 NIP-X30
NTN KRT16X轴承图纸
尺寸图
轴承推荐