您好!欢迎访问「常州高可智能科技有限公司」网站!

NTN KRM4XT2H轴承尺寸、参数、图纸、互换、价格

NTN KRM4XT2H轴承

更新时间:2026.04.27

轴承型号:KRM4XT2H,Miniature Cam Follower - KRM..XH型

技术研究
技术研究 如您是工程师,需要对轴承进行研究、计算、选型等,都可以直接联系我,微信:caloc-cn。
产品咨询
产品咨询 如您对产品有任何需求,包括询价、采买以及替换等,都可以直接联系我,联系方式如下。
在线咨询咨询热线
138 6103 7112
电话咨询电话/微信(长按复制)
13504113081

NTN KRM4XT2H轴承技术规格

类型 凸轮从动轴承
材质 淬透钢
螺纹类型 公制
保持架材质 尼龙
滚子型式 圆柱型
螺柱类型 公制
轴承类型 滚针轴承
外圈类型 圆柱型
附件 开式
驱动装置型式 六角头
结构 单列
扭矩 0.1 N
·m
基本额定静载荷 31 lbf
138 N
基本额定动载荷 50 lbf
222 N
轨道额定载荷 33 lbf
147 N
应用温度范围 -40 to 250 ºF
-40 to 120 ºC

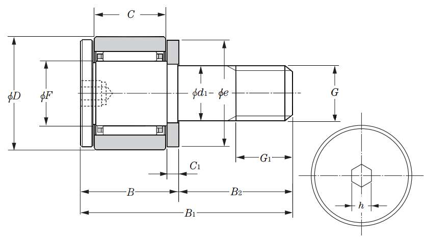
NTN KRM4XT2H轴承尺寸规格

Miniature Cam Follower - KRM..XH型 - 尺寸
G M1.4x0.3
B1 0.2559 in
6.500 mm
B2 0.1181 in
3.000 mm
D 0.1575 in
4.000 mm
D公差 0/-0.0020 in
0/-0.050 mm
B 0.1378 in
3.500 mm
C 0.0787 in
2.000 mm
d1 0.0591 in
1.500 mm
d1公差 0/-0.0002 in
0/-0.006 mm
G1 0.0591 in
1.500 mm
e 0.1496 in
3.800 mm
F 0.0709 in
1.800 mm
C1 0.0276 in
0.700 mm
h 0.0354 in
0.900 mm
NTN KRM4XT2H轴承图纸
尺寸图
轴承推荐