您好!欢迎访问「常州高可智能科技有限公司」网站!

NTN KR35H轴承尺寸、参数、图纸、互换、价格

NTN KR35H轴承

更新时间:2026.04.26

轴承型号:KR35H,凸轮从动螺柱式滚轮轴承 - 球面外圈,KR..H型

技术研究
技术研究 如您是工程师,需要对轴承进行研究、计算、选型等,都可以直接联系我,微信:caloc-cn。
产品咨询
产品咨询 如您对产品有任何需求,包括询价、采买以及替换等,都可以直接联系我,联系方式如下。
在线咨询咨询热线
138 6103 7112
电话咨询电话/微信(长按复制)
13504113081

NTN KR35H轴承技术规格

类型 凸轮从动轴承
材质 淬透钢
螺纹类型 公制
保持架材质 压制钢
极限转速-油润滑 11000转/分钟
极限转速-脂润滑 8000转/分钟
滚子型式 凸度滚子
螺柱类型 公制
轴承类型 滚针轴承
外圈类型 球面
附件 开式
驱动装置型式 六角头
结构 单列
扭矩 52.0 N
·m
基本额定静载荷 4000 lbf
17900 N
基本额定动载荷 2740 lbf
12200 N
轨道额定载荷 720 lbf
3200 N
重量 0.373 lb
0.169 kg
应用温度范围 -40 to 250 ºF
-40 to 120 ºC

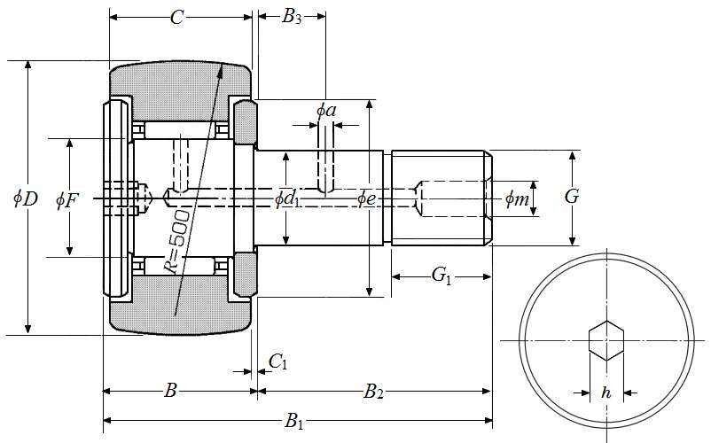
NTN KR35H轴承尺寸规格

凸轮从动螺柱式滚轮轴承 - 球面外圈,KR..H型 - 尺寸
G M16x1.5
B1 2.0472 in
52.000 mm
B2 1.2795 in
32.500 mm
D 1.3780 in
35.000 mm
D公差 0/-0.0020 in
0/-0.050 mm
B 0.7677 in
19.500 mm
C 0.7087 in
18.000 mm
d1 0.6299 in
16.000 mm
d1公差 0/-0.0007 in
0/-0.018 mm
G1 0.6693 in
17.000 mm
e 1.0630 in
27.000 mm
B3 0.3150 in
8.000 mm
a 0.1181 in
3.000 mm
F 0.7087 in
18.000 mm
C1 0.0315 in
0.800 mm
h 0.2362 in
6.000 mm
m 0.2362 in
6.000 mm
注油嘴尺寸 NIP-B6

NTN KR35H轴承在售型号

在售型号库存数量市场价
KR35H143277.79
注:可直接联系销售人员了解详情。
NTN KR35H轴承图纸
尺寸图
轴承推荐