NTN KR19轴承尺寸、参数、图纸、互换、价格
NTN KR19轴承
更新时间:2026.04.26
轴承型号:KR19,凸轮从动螺柱式滚轮轴承 - 球面外圈,KR型,可替换的SKF轴承型号为:SKF KR19轴承
技术研究
如您是工程师,需要对轴承进行研究、计算、选型等,都可以直接联系我,微信:caloc-cn。
产品咨询
如您对产品有任何需求,包括询价、采买以及替换等,都可以直接联系我,联系方式如下。
在线咨询咨询热线
138 6103 7112
138 6103 7112
电话咨询电话/微信(长按复制)
13504113081
13504113081
| 类型 | 凸轮从动轴承 |
| 材质 | 淬透钢 |
| 螺纹类型 | 公制 |
| 保持架材质 | 压制钢 |
| 极限转速-油润滑 | 20000转/分钟 |
| 极限转速-脂润滑 | 15000转/分钟 |
| 滚子型式 | 凸度滚子 |
| 螺柱类型 | 公制 |
| 轴承类型 | 滚针轴承 |
| 外圈类型 | 球面 |
| 附件 | 开式 |
| 驱动装置型式 | 插入式 |
| 结构 | 单列 |
| 扭矩 | 8.0 N ·m |
| 基本额定静载荷 | 1210 lbf 5400 N |
| 基本额定动载荷 | 1070 lbf 4750 N |
| 轨道额定载荷 | 310 lbf 1380 N |
| 重量 | 0.068 lb 0.031 kg |
| 应用温度范围 | -40 to 250 ºF -40 to 120 ºC |
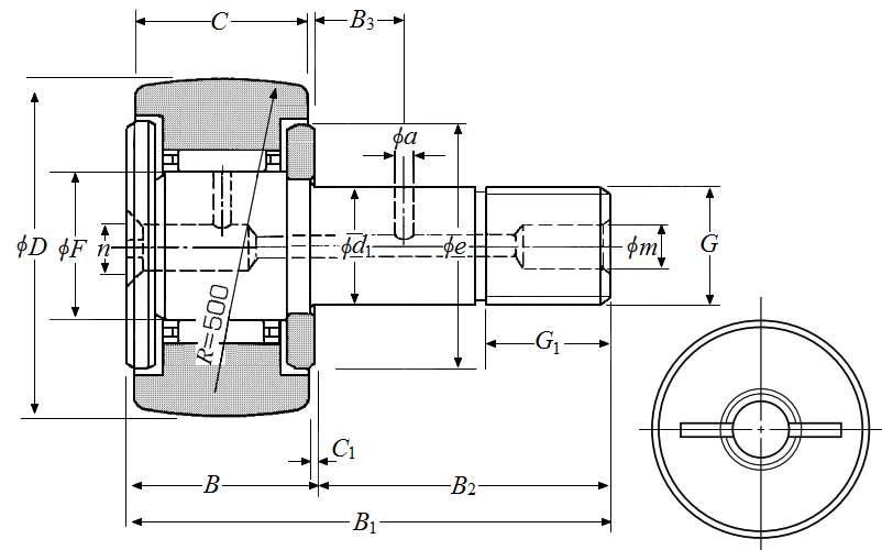
| 凸轮从动螺柱式滚轮轴承 - 球面外圈,KR型 - 尺寸 | |
| G | M8x1.25 |
| B1 | 1.2598 in 32.000 mm |
| B2 | 0.7874 in 20.000 mm |
| D | 0.7480 in 19.000 mm |
| D公差 | 0/-0.0020 in 0/-0.050 mm |
| B | 0.4724 in 12.000 mm |
| C | 0.4331 in 11.000 mm |
| d1 | 0.3150 in 8.000 mm |
| d1公差 | 0/-0.0006 in 0/-0.015 mm |
| G1 | 0.3937 in 10.000 mm |
| e | 0.5512 in 14.000 mm |
| F | 0.3937 in 10.000 mm |
| C1 | 0.0236 in 0.600 mm |
| n | 0.1575 in 4.000 mm |
| 注油嘴尺寸 | NIP-B4 |