您好!欢迎访问「常州高可智能科技有限公司」网站!

NTN JELFD202轴承尺寸、参数、图纸、互换、价格

NTN JELFD202轴承

更新时间:2026.04.26

轴承型号:JELFD202,双螺栓菱形法兰式轴承座单元,铸造外壳,带偏心锁紧套,JELFD型

技术研究
技术研究 如您是工程师,需要对轴承进行研究、计算、选型等,都可以直接联系我,微信:caloc-cn。
产品咨询
产品咨询 如您对产品有任何需求,包括询价、采买以及替换等,都可以直接联系我,联系方式如下。
在线咨询咨询热线
138 6103 7112
电话咨询电话/微信(长按复制)
13504113081

NTN JELFD202轴承技术规格

类型 双螺栓菱形法兰式轴承座单元
轴承类型 滚珠轴承
锁紧装置 偏心锁紧套
密封型式 接触式
密封圈材质 丁腈橡胶
轴承型号 JEL202
轴承座型号 FD201
壳体材质 铸铁
壳体铸造型式 一体成型
端盖类型 开式
性能 轻型
基本额定动载荷 2160 lbf
9600 N
9.60 kN
基本额定静载荷 1030 lbf
4600 N
4.60 kN
极限转速 11000转/分钟
重量 0.700 lb
0.318 kg
应用温度范围 -40 to 250 ºF
-40 to 120 ºC
润滑方式 不可再润滑

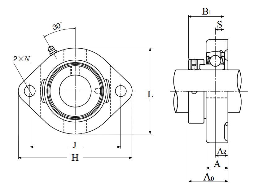
NTN JELFD202轴承尺寸规格

双螺栓菱形法兰式轴承座单元,铸造外壳,带偏心锁紧套,JELFD型 - 尺寸
d 0.5906 in
15.000 mm
H 3.1875 in
81.0 mm
L 2.3125 in
59.0 mm
J 2.4844 in
63.0 mm
A 0.5938 in
15.0 mm
A0 1.2031 in
30.600 mm
A2 0.3281 in
8.5 mm
N 0.2813 in
7.0 mm
B1 1.1260 in
28.600 mm
S 0.2559 in
6.500 mm

NTN JELFD202轴承相关配件/适用型号

JEL202 详细尺寸,d:15mm,dD:40mm,c:13mm,b:28.6mm,r:0.6mm
NTN JELFD202轴承图纸
尺寸图
轴承推荐