您好!欢迎访问「常州高可智能科技有限公司」网站!

NTN H242610轴承尺寸、参数、图纸、互换、价格

NTN H242610轴承

更新时间:2026.04.26

轴承型号:H242610,圆锥滚子轴承外圈 - 英制系列和J系列

技术研究
技术研究 如您是工程师,需要对轴承进行研究、计算、选型等,都可以直接联系我,微信:caloc-cn。
产品咨询
产品咨询 如您对产品有任何需求,包括询价、采买以及替换等,都可以直接联系我,联系方式如下。
在线咨询咨询热线
138 6103 7112
电话咨询电话/微信(长按复制)
13504113081

NTN H242610轴承技术规格

类型 轴承外圈
材质 外壳渗碳钢
重量 24.251 lb
11.000 kg

NTN H242610轴承尺寸规格

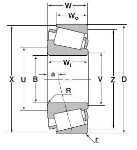
圆锥滚子轴承外圈 - 英制系列和J系列 - 尺寸
D 13.2500 in
336.550 mm
Wo 3.0625 in
77.788 mm
W 3.8750 in
98.425 mm
r 0.1300 in
3.300 mm
NTN H242610轴承图纸
尺寸图
轴承推荐