您好!欢迎访问「常州高可智能科技有限公司」网站!

NTN FL625Z轴承尺寸、参数、图纸、互换、价格

NTN FL625Z轴承

更新时间:2026.04.26

轴承型号:FL625Z,单列深沟球轴承带法兰外圈 - 单面防尘盖,其基础型号为625,前缀列表:【FL:法兰外圈】,后缀列表:【Z:单面防尘盖】

技术研究
技术研究 如您是工程师,需要对轴承进行研究、计算、选型等,都可以直接联系我,微信:caloc-cn。
产品咨询
产品咨询 如您对产品有任何需求,包括询价、采买以及替换等,都可以直接联系我,联系方式如下。
在线咨询咨询热线
138 6103 7112
电话咨询电话/微信(长按复制)
13504113081

NTN FL625Z轴承代号说明

F
L
6
2
5
Z
FL:法兰外圈
6:深沟球轴承
2:尺寸系列:02系列
5:内径:5 mm
Z:单面防尘盖
FL:
法兰外圈
6:
深沟球轴承
2:
尺寸系列:02系列
5:
内径:5 mm
Z:
单面防尘盖

NTN FL625Z轴承技术规格

类型 微型/超小型滚珠轴承
内孔型式 圆柱孔
外圈类型 法兰外圈
材质 高碳铬钢
保持架型式 压制
保持架材质
极限转速-油润滑 44000转/分钟
极限转速-脂润滑 37000转/分钟
结构 单列
系数 12.4
基本额定静载荷 153 lbf
680 N
基本额定动载荷 395 lbf
1760 N
附件 单面防尘盖
重量 11.464 lb
5.200 kg
应用温度范围 -40 to 250 ºF
-40 to 120 ºC

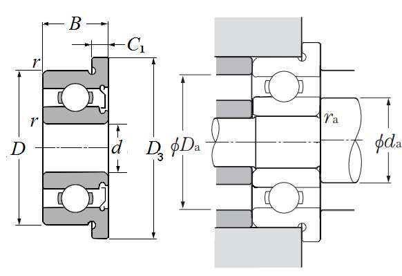
NTN FL625Z轴承尺寸规格

单列深沟球轴承带法兰外圈 - 单面防尘盖 - 尺寸
d 0.1969 in
5.000 mm
D 0.6299 in
16.000 mm
B 0.1969 in
5.000 mm
D3 0.7087 in
18.000 mm
C1 0.0394 in
1.000 mm
r 0.0118 in
0.300 mm
da min 0.2756 in
7.000 mm
da max 0.2992 in
7.600 mm
Da max 0.5512 in
14.000 mm
ras max 0.0118 in
0.300 mm
NTN FL625Z轴承图纸
尺寸图
轴承推荐