您好!欢迎访问「常州高可智能科技有限公司」网站!

NTN EPB4-415轴承尺寸、参数、图纸、互换、价格

NTN EPB4-415轴承

更新时间:2026.04.26

轴承型号:EPB4-415,轴承座滚子轴承单元 - 4.9375 in 孔径,四螺栓基座,实心轴承座,铸铁材质,非膨胀轴承(固定式)

技术研究
技术研究 如您是工程师,需要对轴承进行研究、计算、选型等,都可以直接联系我,微信:caloc-cn。
产品咨询
产品咨询 如您对产品有任何需求,包括询价、采买以及替换等,都可以直接联系我,联系方式如下。
在线咨询咨询热线
138 6103 7112
电话咨询电话/微信(长按复制)
13504113081

NTN EPB4-415轴承技术规格

类型 轴承座
轴承类型 调心滚子轴承
锁紧装置 紧定螺钉
密封型式 接触式
密封圈材质 丁腈橡胶
壳体材质 铸铁
壳体铸造型式 一体成型
端盖类型 开式
膨胀类型 非膨胀轴承(固定式)
安装类型 四螺栓
内孔型式 圆柱孔
保持架材质 黄铜
游隙 C3
基本额定动载荷 148600 lbf
极限转速 1000转/分钟
重量 113.000 lb
51.255 kg
应用温度范围 -40 to 400 ºF
-40 to 200 ºC
润滑方式 可再润滑

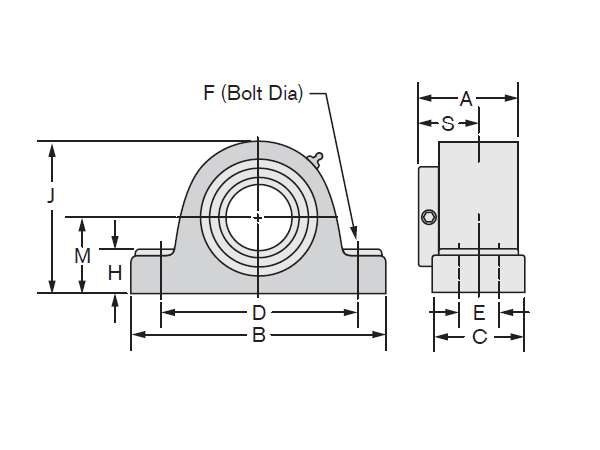
NTN EPB4-415轴承尺寸规格

轴承座滚子轴承单元,E型 - 尺寸
d 4.9375 in
125.413 mm
B 18.4375 in
468.3 mm
M 5.5000 in
139.7 mm
J 10.9375 in
277.8 mm
C 5.2500 in
133.4 mm
H 3.0625 in
77.8 mm
D min 15.0000 in
381.0 mm
D max 16.1250 in
409.6 mm
E 2.8750 in
73.0 mm
A 7.2500 in
184.2 mm
S 3.6250 in
92.1 mm
F 7/8
NTN EPB4-415轴承图纸
尺寸图
轴承推荐