您好!欢迎访问「常州高可智能科技有限公司」网站!

NTN EC-6304ZZ轴承尺寸、参数、图纸、互换、价格

NTN EC-6304ZZ轴承

更新时间:2026.04.26

轴承型号:EC-6304ZZ,膨胀补偿轴承 - 双面防尘盖,其基础型号为6304,前缀列表:【EC-:膨胀补偿轴承】,后缀列表:【ZZ:双面带防尘盖】

技术研究
技术研究 如您是工程师,需要对轴承进行研究、计算、选型等,都可以直接联系我,微信:caloc-cn。
产品咨询
产品咨询 如您对产品有任何需求,包括询价、采买以及替换等,都可以直接联系我,联系方式如下。
在线咨询咨询热线
138 6103 7112
电话咨询电话/微信(长按复制)
13504113081

NTN EC-6304ZZ轴承代号说明

E
C
-
6
3
0
4
Z
Z
EC-:膨胀补偿轴承
6:深沟球轴承
3:尺寸系列:03系列
04:内径:20 mm
ZZ:双面带防尘盖
EC-:
膨胀补偿轴承
6:
深沟球轴承
3:
尺寸系列:03系列
04:
内径:20 mm
ZZ:
双面带防尘盖

NTN EC-6304ZZ轴承技术规格

类型 膨胀补偿轴承
内孔型式 圆柱孔
材质 高碳铬钢
保持架型式 压制
保持架材质
滚珠材质
极限转速-油润滑 17000转/分钟
极限转速-脂润滑 14000转/分钟
密封型式
密封圈材质
精度 Class 0
结构 单列
系数 12.4
径向游隙 CN
基本额定静载荷 1780 lbf
7900 N
7.90 kN
基本额定动载荷 3950 lbf
17600 N
17.60 kN
附件 双面防尘盖
应用温度范围 -40 to 250 ºF
-40 to 120 ºC

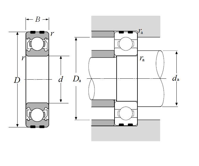
NTN EC-6304ZZ轴承尺寸规格

膨胀补偿轴承 - 双面防尘盖 - 尺寸
d 0.7874 in
20.000 mm
D 2.0472 in
52.000 mm
B 0.5906 in
15.000 mm
r 0.0433 in
1.100 mm
da min 1.0433 in
26.500 mm
da max 1.1220 in
28.500 mm
Da max 1.7913 in
45.500 mm
ras max 0.0197 in
0.500 mm
NTN EC-6304ZZ轴承图纸
尺寸图
轴承推荐