您好!欢迎访问「常州高可智能科技有限公司」网站!

NTN EC-6000C3轴承尺寸、参数、图纸、互换、价格

NTN EC-6000C3轴承

更新时间:2026.04.26

轴承型号:EC-6000C3,膨胀补偿轴承 - 开式,其基础型号为6000,前缀列表:【EC-:膨胀补偿轴承】,后缀列表:【C3:C3游隙】

技术研究
技术研究 如您是工程师,需要对轴承进行研究、计算、选型等,都可以直接联系我,微信:caloc-cn。
产品咨询
产品咨询 如您对产品有任何需求,包括询价、采买以及替换等,都可以直接联系我,联系方式如下。
在线咨询咨询热线
138 6103 7112
电话咨询电话/微信(长按复制)
13504113081

NTN EC-6000C3轴承代号说明

E
C
-
6
0
0
0
C
3
EC-:膨胀补偿轴承
6:深沟球轴承
0:尺寸系列:10系列
00:内径:10 mm
C3:C3游隙
EC-:
膨胀补偿轴承
6:
深沟球轴承
0:
尺寸系列:10系列
00:
内径:10 mm
C3:
C3游隙

NTN EC-6000C3轴承技术规格

类型 膨胀补偿轴承
内孔型式 圆柱孔
材质 高碳铬钢
保持架型式 压制
保持架材质
滚珠材质
极限转速-油润滑 34000转/分钟
极限转速-脂润滑 29000转/分钟
精度 ISO Class 0
结构 单列
系数 12.4
径向游隙 C3
基本额定静载荷 440 lbf
1960 N
1.96 kN
基本额定动载荷 1130 lbf
5050 N
5.05 kN
附件 开式
重量 0.038 lb
0.017 kg
应用温度范围 -40 to 250 ºF
-40 to 120 ºC

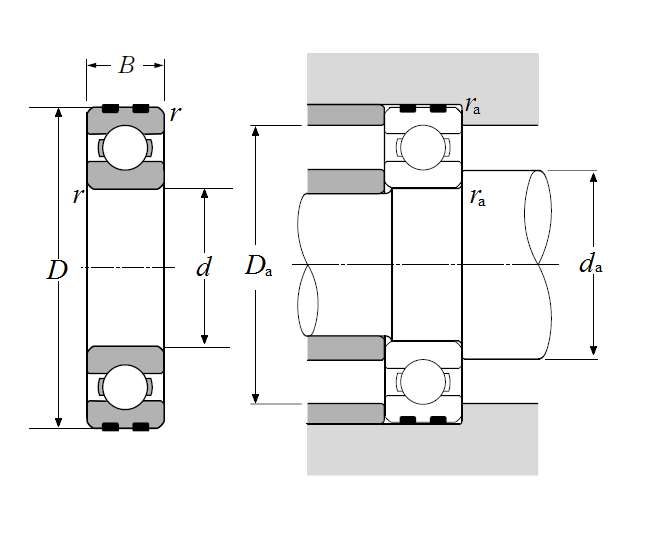
NTN EC-6000C3轴承尺寸规格

膨胀补偿轴承 - 开式 - 尺寸
d 0.3937 in
10.000 mm
D 1.0236 in
26.000 mm
B 0.3150 in
8.000 mm
r 0.0118 in
0.300 mm
da min 0.4724 in
12.000 mm
da max 0.5315 in
13.500 mm
Da max 0.9449 in
24.000 mm
ras max 0.0118 in
0.300 mm
NTN EC-6000C3轴承图纸
尺寸图
轴承推荐