您好!欢迎访问「常州高可智能科技有限公司」网站!

NTN DS209TTR10轴承尺寸、参数、图纸、互换、价格

NTN DS209TTR10轴承

更新时间:2026.04.26

轴承型号:DS209TTR10,重型盘式轴承 - 球面外圈,1系列

技术研究
技术研究 如您是工程师,需要对轴承进行研究、计算、选型等,都可以直接联系我,微信:caloc-cn。
产品咨询
产品咨询 如您对产品有任何需求,包括询价、采买以及替换等,都可以直接联系我,联系方式如下。
在线咨询咨询热线
138 6103 7112
电话咨询电话/微信(长按复制)
13504113081

NTN DS209TTR10轴承技术规格

类型 径向滚珠轴承
内孔型式 圆柱孔
外圈类型 球面
材质 淬透钢
保持架型式 压制
保持架材质
滚珠材质
密封型式 接触式
密封圈材质 丁腈橡胶
精度 Class 0
结构 单列
径向游隙 C3
基本额定静载荷 4600 lbf
20400 N
20.40 kN
基本额定动载荷 7300 lbf
32500 N
32.50 kN
附件 双面密封
重量 1.279 lb
0.580 kg
应用温度范围 -40 to 250 ºF
-40 to 120 ºC

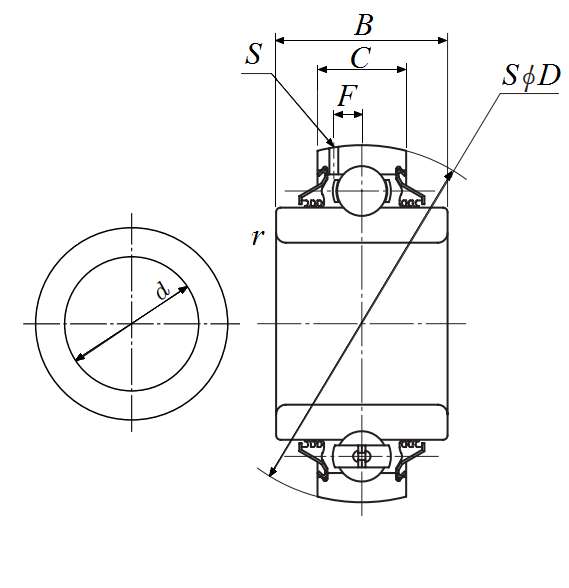
NTN DS209TTR10轴承尺寸规格

重型盘式轴承 - 球面外圈,3系列 - 尺寸
d 1.7780 in
45.161 mm
D 3.3465 in
85.000 mm
C 0.8661 in
22.000 mm
B 1.4375 in
36.513 mm
r 0.0433 in
1.100 mm
F 0.1988 in
5.050 mm
NTN DS209TTR10轴承图纸
尺寸图
轴承推荐